
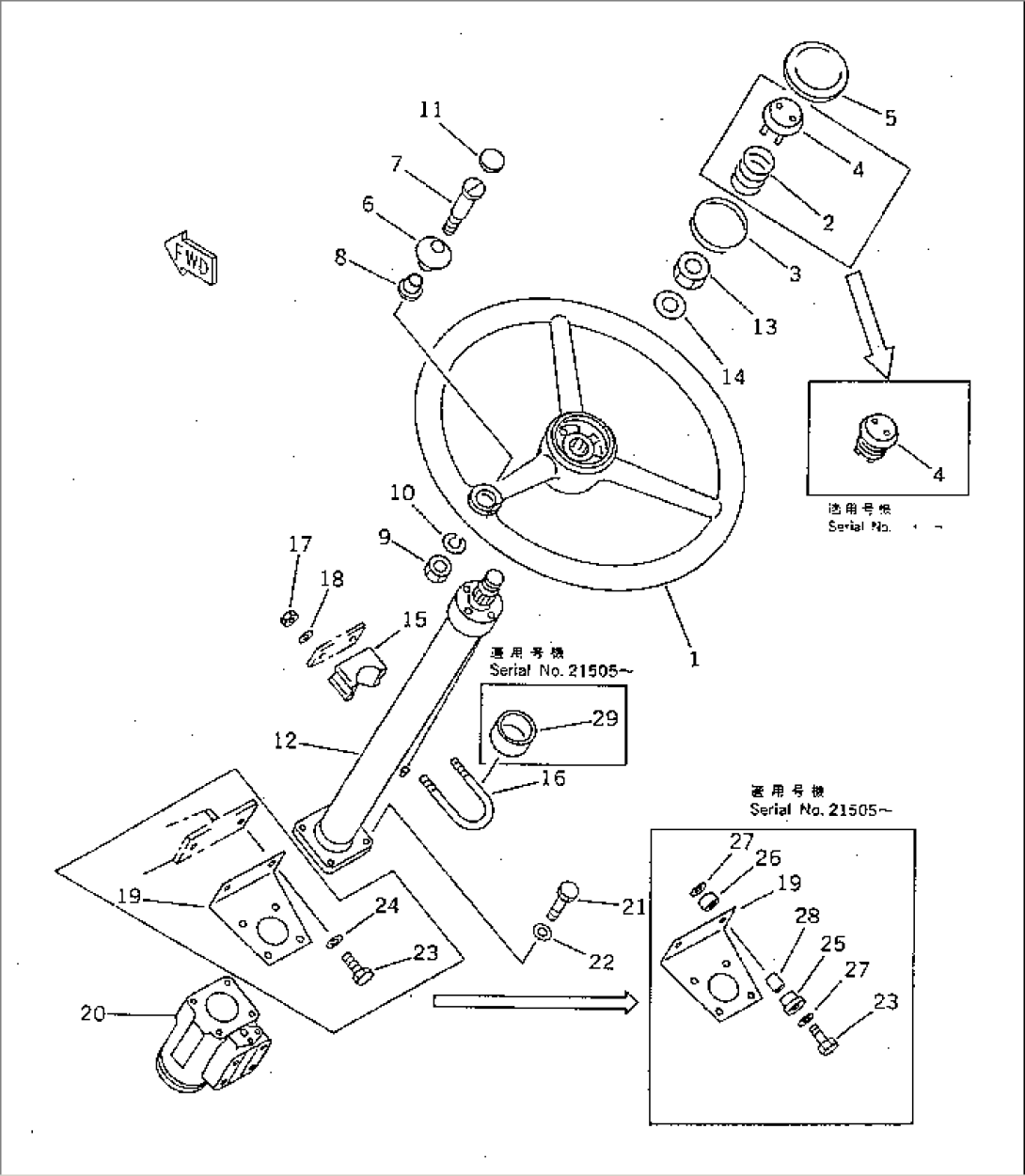
| Item | Part No. | Part Name | Qty | Serial No. |
| 421-40-12111 | WHEEL ASS'Y | 10001- | ||
| 1 | 421-40-12121 | WHEEL,STEERING | 10001- | |
| 2 | 362-43-15150 | SPRING,HORN | 10001-. | |
| 3 | 362-43-15140 | SPRING,LOCK | 10001- | |
| 4 | 421-43-12160 | CAP | .- | |
| \0\362-43-15130 | CAP | 10001-. | ||
| 5 | 362-43-15120 | BUTTON,HORN | 10001- | |
| 6 | 362-43-15160 | GRIP | 10001- | |
| 7 | 362-43-15180 | SHAFT | 10001- | |
| 8 | 362-43-15190 | BUSHING | 10001- | |
| 9 | 362-43-15210 | NUT | 10001- | |
| 10 | 362-43-15220 | WASHER,SPRING | 10001- | |
| 11 | 362-43-15170 | CAP | 10001- | |
| 12 | 416-40-12600 | STEERING COLUMN A. | 20001- | |
| 13 | 421-40-12440 | NUT | 10001- | |
| 14 | 421-40-12450 | WASHER | 10001- | |
| 15 | 416-40-12521 | BLOCK | 21505- | |
| 416-40-12520 | BLOCK | 10001-21504 | ||
| 16 | 416-40-12510 | CLIP | 10001- | |
| 17 | 01599-01011 | NUT | 21505- | |
| 426-43-19160 | NUT | 10001-21504 | ||
| 18 | 01643-31032 | WASHER | 10001- | |
| 19 | 416-40-12612 | BRACKET | 21505- | |
| 416-40-12611 | BRACKET | 20001-21504 | ||
| 20 | (416-64-15101) | VALVE ASS'Y,STEERING | 20001- | |
| 21 | 416-40-12750 | BOLT | 20001- | |
| 22 | 01643-31232 | WASHER | 20001- | |
| 23 | 01010-51255 | BOLT | 21505- | |
| 01010-31230 | BOLT | 10001-21504 | ||
| 24 | 01643-31232 | WASHER | 20001- | |
| 25 | 419-43-17930 | CUSHION | 21505- | |
| 26 | 417-62-13620 | CUSHION | 21505- | |
| 27 | 419-43-17920 | WASHER | 21505- | |
| 28 | 417-54-13470 | SPACER | 21505- | |
| 29 | 417-Z95-1660 | SHEET | 21505- |
