
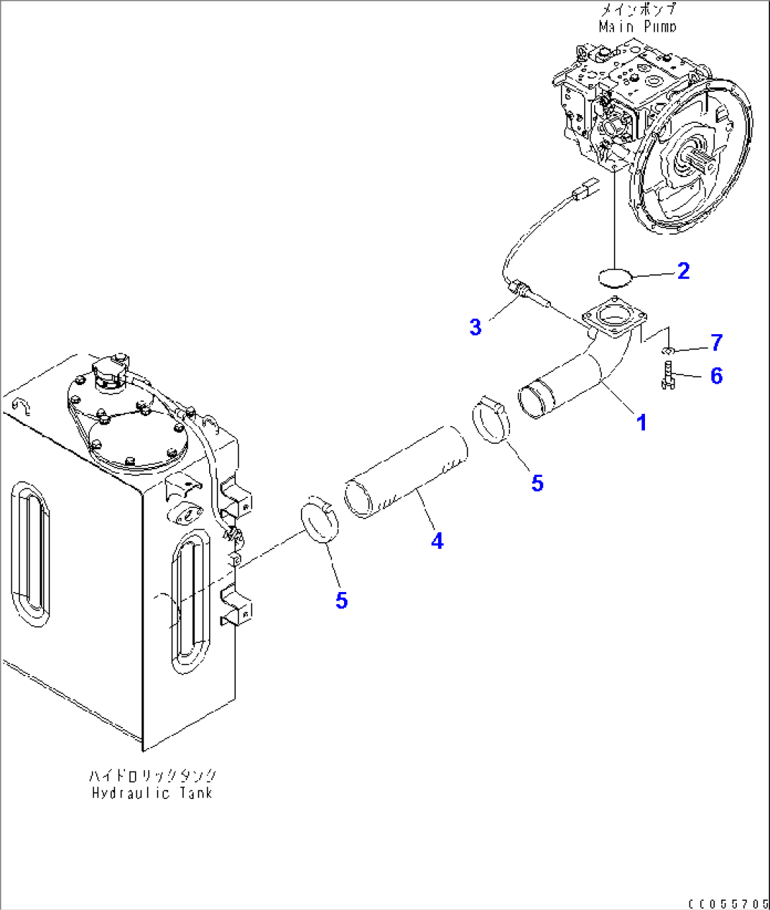
| Item | Part No. | Part Name | Qty | Serial No. |
| 1 | 21K-62-71111 | TUBE | K45001- | |
| 2 | 07000-12100 | O-RING | K45001- | |
| 3 | 7861-93-3320 | SENSOR | K45001- | |
| 4 | 07260-08732 | HOSE | K45001- | |
| 5 | 20Y-62-51671 | CLAMP | K45001- | |
| 6 | 01010-81235 | BOLT | K45001- | |
| 7 | 01643-31232 | WASHER | K45001- |

| Item | Part No. | Part Name | Qty | Serial No. |
| 1 | 21K-62-71111 | TUBE | K45001- | |
| 2 | 07000-12100 | O-RING | K45001- | |
| 3 | 7861-93-3320 | SENSOR | K45001- | |
| 4 | 07260-08732 | HOSE | K45001- | |
| 5 | 20Y-62-51671 | CLAMP | K45001- | |
| 6 | 01010-81235 | BOLT | K45001- | |
| 7 | 01643-31232 | WASHER | K45001- |