
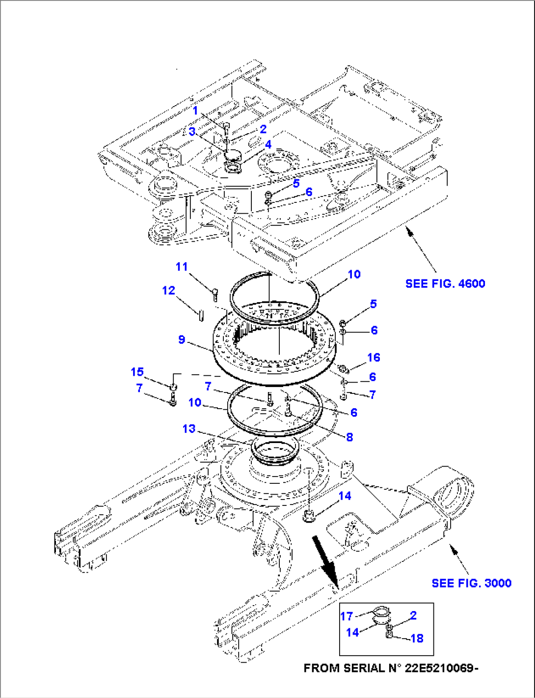
| Item | Part No. | Part Name | Qty | Serial No. |
| 1 | 01010-51030 | BOLT | 22E5210500- | |
| 2 | 01643-31032 | WASHER | 22E5210500- | |
| 3 | 21D-46-11130 | COVER | 22E5210500- | |
| 4 | 21D-46-11140 | GASKET | 22E5210500- | |
| 5 | 21D-09-24220 | NUT | 22E5210500- | |
| 6 | 01643-31645 | WASHER | 22E5210500- | |
| 7 | 01011-51610 | BOLT | 22E5210500- | |
| 8 | 01010-51680 | BOLT | 22E5210500- | |
| 9 | 22E-25-11100 | SWING CIRCLE | 22E5210500- | |
| 10 | 21D-25-11120 | GASKET | 22E5210500- | |
| 11 | 01010-51690 | BOLT | 22E5210500- | |
| 12 | 21D-09-84420 | PIN | 22E5210500- | |
| 13 | 21D-25-11111 | GASKET | 22E5210500- | |
| 14 | 22E-25-11120 | COVER | 22E5210500- | |
| 15 | 21D-25-11130 | SPACER | 22E5210500- | |
| 16 | 21D-25-11140 | FITTING | 22E5210500- | |
| 17 | 22E-25-11130 | GASKET | 22E5210500- | |
| 18 | 01580-11008 | NUT | 22E5210500- | |
| SEE FIG. 3000 | ||||
| SEE FIG. 4600 |
