
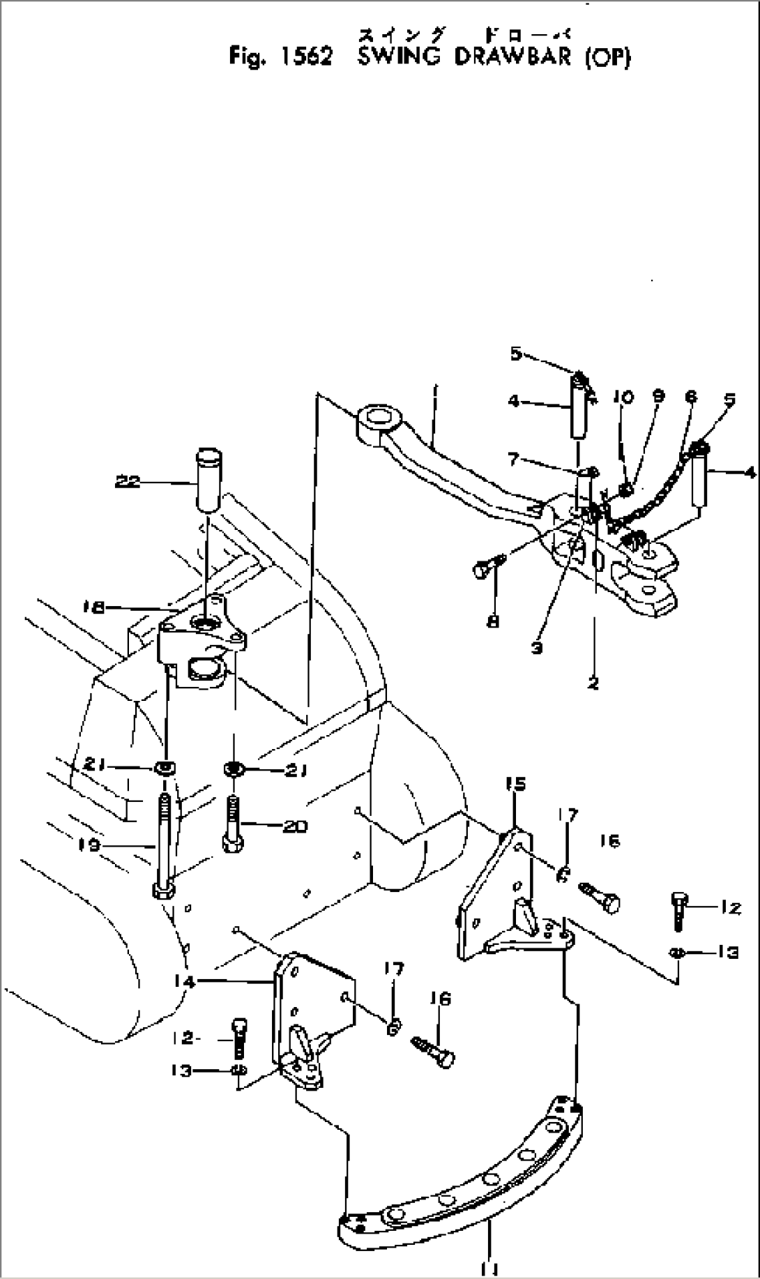
| Item | Part No. | Part Name | Qty | Serial No. |
| 144-918-0010 | SWING DRAWBAR ASS'Y | 20006- | ||
| 144-918-1100 | DRAWBAR ASS'Y | 20006- | ||
| 1 | 144-918-1110 | DRAWBAR | 20006- | |
| 2 | 131-69-11120 | PLATE | 20006- | |
| 3 | 131-69-11130 | PLATE | 20006- | |
| 4 | 09242-45175 | PIN | 20006- | |
| 5 | 130-70-12210 | HOOK | 20006- | |
| 6 | 09245-04830 | CHAIN | 20006- | |
| 7 | 09249-00016 | LATCH | 20006- | |
| 8 | 01002-31260 | BOLT | 20006- | |
| 9 | 01511-01210 | NUT | 20006- | |
| 10 | 04050-03020 | PIN | 20006- | |
| 11 | 144-918-1120 | GUIDE | 20006- | |
| 12 | 01010-32070 | BOLT | 22388- | |
| 01040-32070 | BOLT | 20006-22387 | ||
| 13 | 01602-02060 | WASHER | 20006- | |
| 14 | 144-918-1130 | BRACKET | 20006- | |
| 15 | 144-918-1140 | BRACKET | 20006- | |
| 16 | 01040-63390 | BOLT | 20006- | |
| 17 | 01601-03382 | WASHER | 20006- | |
| 18 | 144-918-1150 | SUPPORT | 20006- | |
| 19 | 01011-32450 | BOLT | 22388- | |
| 01041-32450 | BOLT | 20006-22387 | ||
| 20 | 01010-32465 | BOLT | 22388- | |
| 01040-32465 | BOLT | 20006-22387 | ||
| 21 | 01602-02472 | WASHER | 20006- | |
| 22 | 144-918-1160 | PIN | 20006- |
