
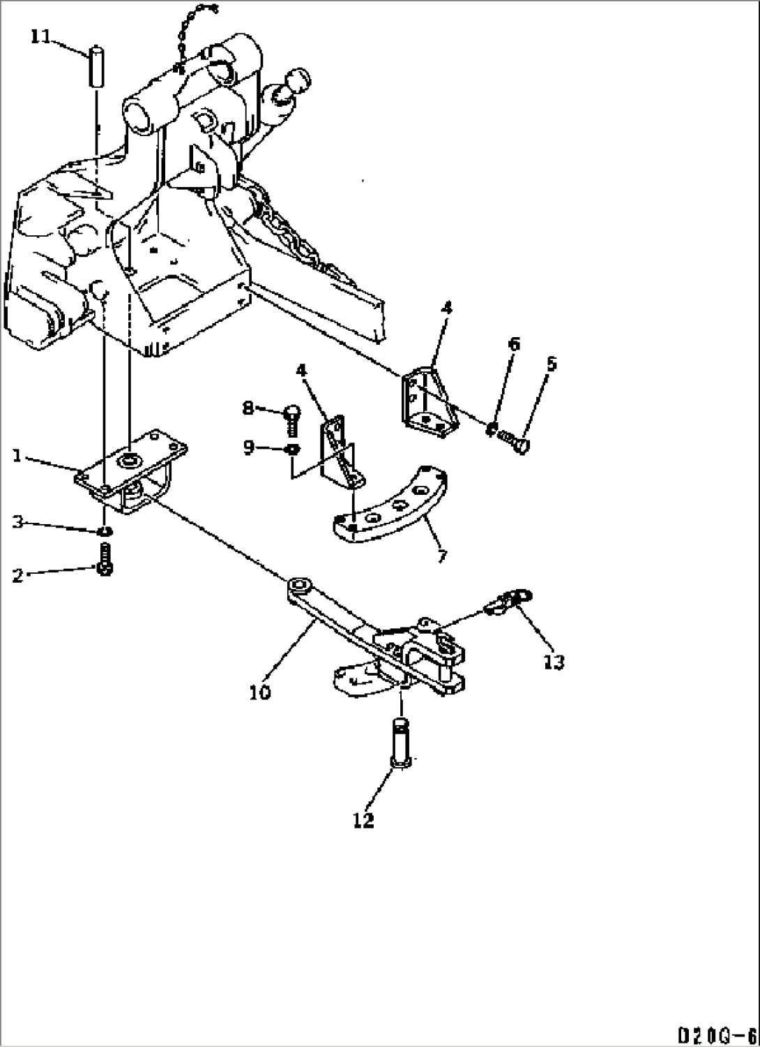
| Item | Part No. | Part Name | Qty | Serial No. |
| 1 | 101-Z54-3120 | BRACKET | 60001- | |
| 2 | 01010-51435 | BOLT | 60001- | |
| 3 | 01602-21442 | WASHER,SPRING | 60001- | |
| 4 | 101-Z54-3130 | BRACKET,L.H. | 60001- | |
| 4 | 101-Z54-3230 | BRACKET,R.H. | 60001- | |
| 5 | 01010-51440 | BOLT | 60001- | |
| 6 | 01602-21442 | WASHER,SPRING | 60001- | |
| 7 | 101-Z54-3140 | GUIDE | 60001- | |
| 8 | 01010-51435 | BOLT | 60001- | |
| 9 | 01602-21442 | WASHER,SPRING | 60001- | |
| 10 | 101-Z54-3110 | DRAWBAR | 60001- | |
| 11 | 101-Z54-3150 | PIN | 60001- | |
| 12 | 101-Z54-3170 | PIN | 60001- | |
| 13 | 101-Z54-3160 | PIN ASS'Y | 60001- |
