
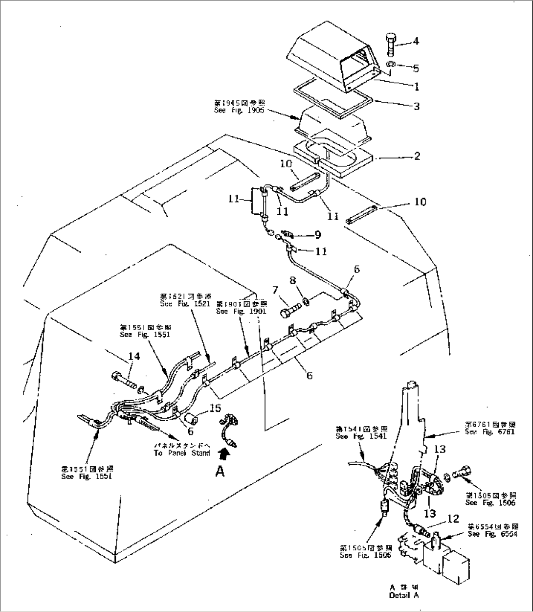
| Item | Part No. | Part Name | Qty | Serial No. |
| G-1 | (\8\208-06-X9220) | FLASHER GROUP | 20001- | |
| ==================== | ||||
| 1 | 20Y-06-15610 | COVER | 20001- | |
| 2 | 20Y-06-15620 | CUSHION | 20001- | |
| 3 | 20Y-06-15630 | CUSHION | 20001- | |
| 4 | 01010-51225 | BOLT | 20001- | |
| 5 | 01643-31232 | WASHER | 20001- | |
| 6 | 08036-01014 | CLIP | 20001- | |
| 7 | 01010-51220 | BOLT | 20001- | |
| 8 | 01643-31232 | WASHER | 20001- | |
| 9 | 08053-01512 | CLIP (WELDED) | 20021- | |
| 9 | \0\7821-92-5110 | BRACKET (WELDED) | 20001-20020 | |
| 10 | 569-02-41280 | BRACKET (WELDED) | 20001- | |
| 11 | 08036-41210 | CLIP (WELDED) | 20001- | |
| 12 | 20Y-06-15190 | SWITCH | 20001- | |
| 13 | 08036-01814 | CLIP | 20001- | |
| 14 | 01010-51255 | BOLT | 20001- | |
| 15 | 11T-27-11180 | SPACER | 20001- | |
| ==================== |
