
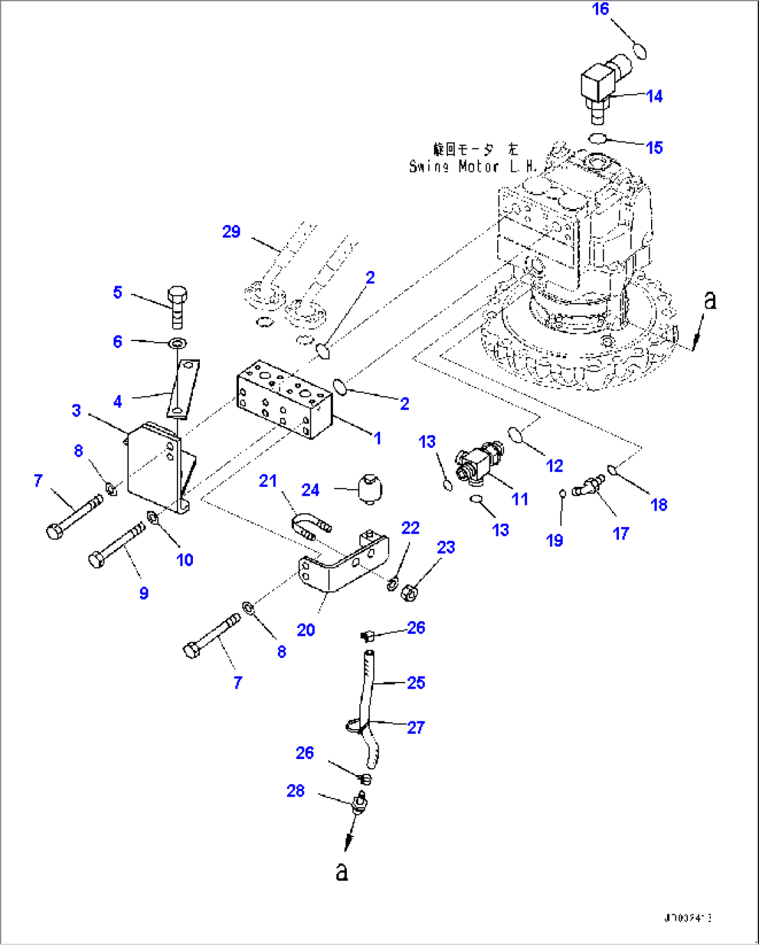
| Item | Part No. | Part Name | Qty | Serial No. |
| 1 | 20Y-62-21421 | Block | 65001- | |
| 2 | 07000-13030 | O-ring | 65001- | |
| 3 | 21M-26-31250 | Bracket | 65001- | |
| 4 | 207-977-5120 | Bracket | 65001- | |
| 5 | 01010-81230 | Bolt | 65001- | |
| 6 | 01643-31232 | Washer | 65001- | |
| 7 | 01010-81080 | Bolt | 65001- | |
| 8 | 01643-31032 | Washer | 65001- | |
| 9 | 01010-81075 | Bolt | 65001- | |
| 10 | 01643-31032 | Washer | 65001- | |
| 11 | 11Y-62-12450 | Tee | 65001- | |
| 12 | 07002-12434 | O-ring | 65001- | |
| 13 | 02896-11015 | O-ring | 65001- | |
| 14 | 207-62-72131 | Elbow | 65001- | |
| 15 | 07002-12434 | O-ring | 65001- | |
| 16 | 207-62-64740 | O-ring | 65001- | |
| 17 | 02782-10311 | Elbow | 65001- | |
| 18 | 07002-11423 | O-ring | 65001- | |
| 19 | 02896-11009 | O-ring | 65001- | |
| 20 | 21M-26-21190 | Bracket | 65001- | |
| 21 | 07283-22738 | Clip | 65001- | |
| 22 | 01643-31032 | Washer | 65001- | |
| 23 | 01597-01009 | Nut | 65001- | |
| 24 | 07030-00252 | Breather | 65001- | |
| 25 | 07286-01025 | Hose | 65001- | |
| 26 | 07285-00130 | Clip | 65001- | |
| 27 | 08034-40521 | Band | 65001- | |
| 28 | 6138-55-7610 | Nipple | 65001- | |
| 29 | (07097-00607) | Hose, Flange Type | - |
