
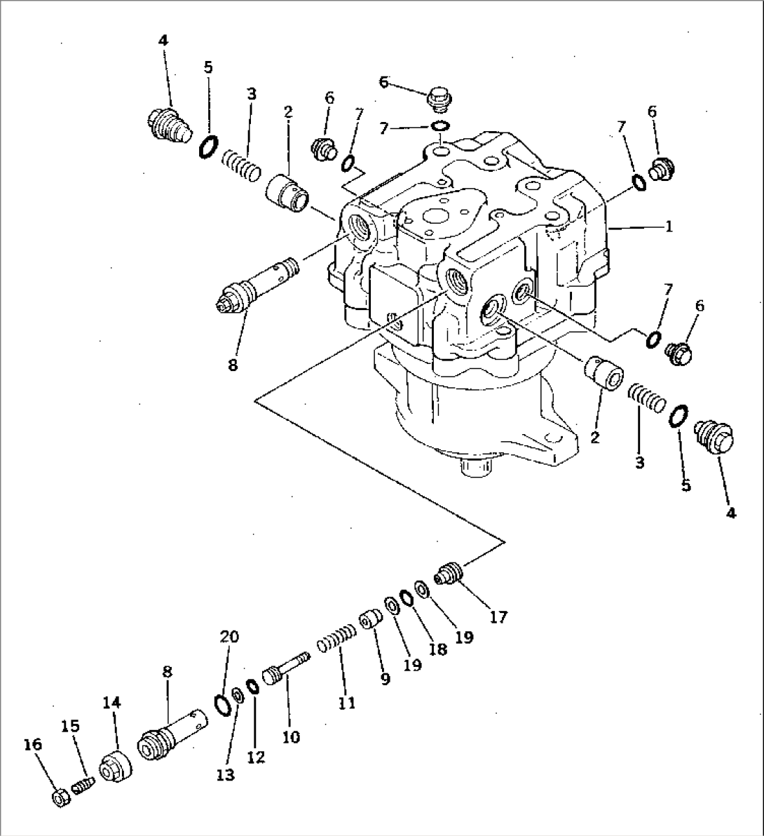
| Item | Part No. | Part Name | Qty | Serial No. |
| (706-77-01124) | SWING MOTOR ASS'Y | 10001- | ||
| THIS ASSEMBLY CONSISTS OF ALL PARTS SHOWN IN FIGS.N1220-51A0 AND N1220-52A0. | ||||
| 1 | (\7\706-77-72112) | HOUSING | 10001- | |
| 2 | 706-77-72130 | VALVE | 10001- | |
| 3 | 706-77-72140 | SPRING | 10001- | |
| 4 | 706-77-72150 | PLUG | 10001- | |
| 5 | 07002-14234 | O-RING | 10001- | |
| 6 | 706-77-72170 | PLUG | 10001- | |
| 7 | 07002-12434 | O-RING | 10001- | |
| 702-77-00200 | RELIEF VALVE ASS'Y | 10001- | ||
| 8 | \6\ | SLEEVE | 10001- | |
| 9 | \6\ | VALVE | 10001- | |
| 10 | \6\ | PISTON | 10001- | |
| 11 | \6\ | SPRING | 10001- | |
| 12 | \6\ | O-RING | 10001- | |
| 13 | \6\ | RING,BACK-UP | 10001- | |
| 14 | \6\ | PLUG | 10001- | |
| 15 | \6\ | SCREW | 10001- | |
| 16 | \6\ | NUT | 10001- | |
| 17 | \6\ | SEAT,VALVE | 10001- | |
| 18 | 07000-23022 | O-RING | 10001- | |
| 19 | 07001-03022 | RING,BACK-UP | 10001- | |
| 20 | 07002-13634 | O-RING | 10001- |
