
| Item | Part No. | Part Name | Qty | Serial No. |
| (706-77-10204) | MOTOR ASS'Y | 13032- | ||
| \0\706-77-10203 | MOTOR ASS'Y | 11001-13031 | ||
| (\2\706-77-10202) | MOTOR ASS'Y | (12023-12176) | ||
| (\2\706-77-10201) | MOTOR ASS'Y | (11090-12022) | ||
| (\2\706-77-10200) | MOTOR ASS'Y | (11001-11089) | ||
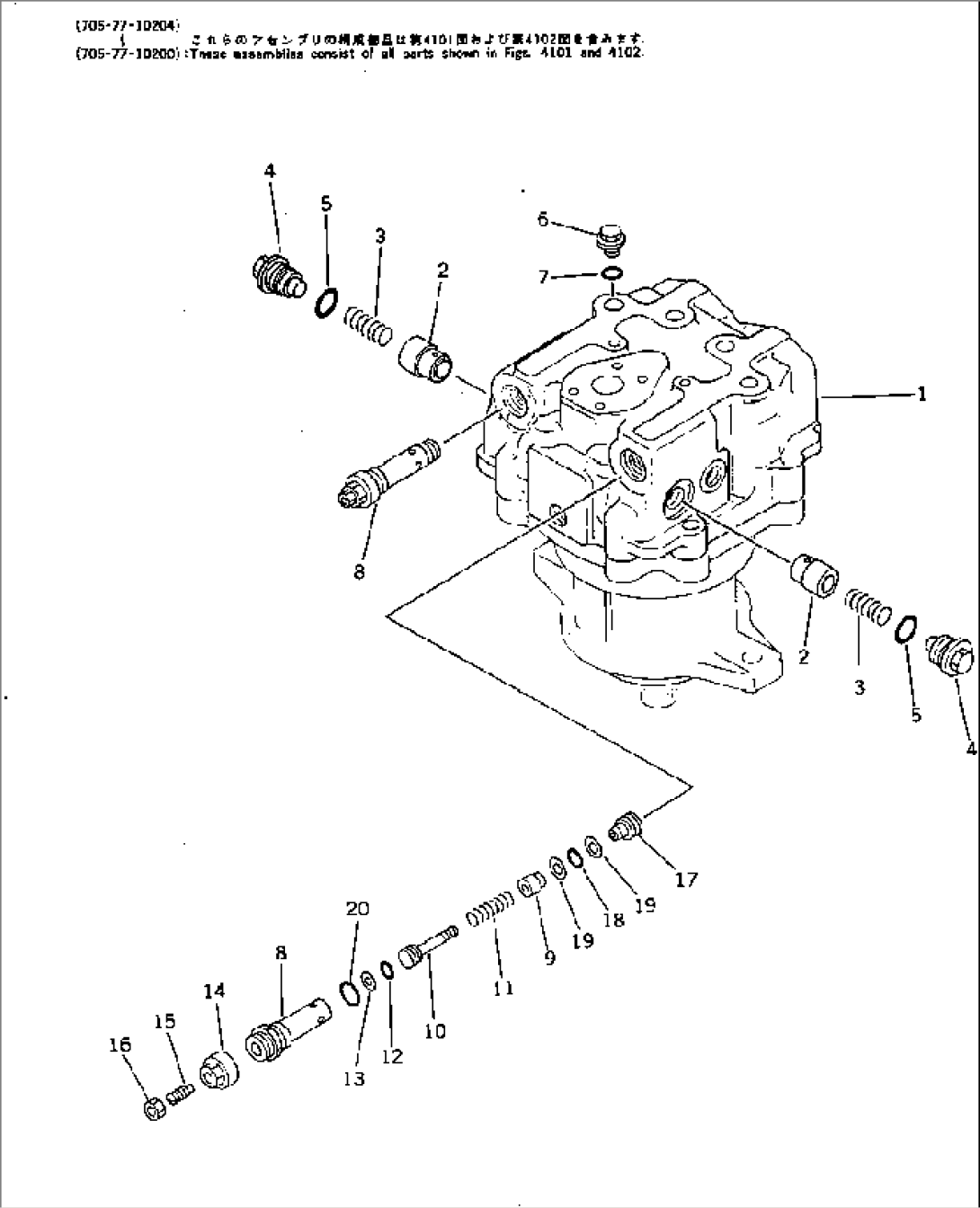
| 1 | (\7\706-77-72112) | HOUSING | 11001- | |
| 2 | 706-77-72130 | VALVE | 11001- | |
| 3 | 706-77-72140 | SPRING | 11001- | |
| 4 | 706-77-72150 | PLUG | 11001- | |
| 5 | 07002-14234 | O-RING | 11001- | |
| 6 | 706-77-72170 | PLUG | 11001- | |
| 7 | 07002-12434 | O-RING | 11001- | |
| 706-77-76801 | RELIEF VALVE ASS'Y | 11001- | ||
| 8 | \6\ | SLEEVE | 11001- | |
| 9 | \6\ | VALVE | 11001- | |
| 10 | \6\ | PISTON | 11001- | |
| 11 | \6\ | SPRING | 11001- | |
| 12 | \6\ | O-RING | 11001- | |
| 13 | \6\ | RING,BACK-UP | 11001- | |
| 14 | \6\ | PLUG | 11001- | |
| 15 | \6\ | SCREW | 11001- | |
| 16 | \6\ | NUT | 11001- | |
| 17 | \6\ | SEAT,VALVE | 11001- | |
| 18 | 07000-23022 | O-RING | 11001- | |
| 19 | 07001-03022 | RING,BACK-UP | 11001- | |
| 20 | 07002-13634 | O-RING | 11001- |
