| Item | Part No. | Part Name | Qty | Serial No. | 
|  | (708-45-10204) | PUMP ASS'Y |  | 10001- | 
|  | (\2\708-45-10203) | PUMP ASS'Y |  | (10056-10530) | 
|  | (\2\708-45-10202) | PUMP ASS'Y |  | (10049-10055) | 
|  | (\2\708-45-10201) | PUMP ASS'Y |  | (.-10048) | 
|  | (\2\708-45-10200) | PUMP ASS'Y |  | (10001-.) | 
|  |  | THESE ASSEMBLIES CONSIST OF ALL PARTS SHOWN IN FIGS.6031 TO 6034. |  |  | 
|  | (708-45-11204) | PUMP SUB ASS'Y |  | 10001- | 
|  | (\2\708-45-11203) | PUMP SUB ASS'Y |  | (10056-10530) | 
|  | (\2\708-45-11202) | PUMP SUB ASS'Y |  | (10049-10055) | 
|  | (\2\708-45-11201) | PUMP SUB ASS'Y |  | (.-10048) | 
|  | (\2\708-45-11200) | PUMP SUB ASS'Y |  | (10001-.) | 
|  |  | THESE ASSEMBLIES CONSIST OF ALL PARTS SHOWN IN FIGS.6032 TO 6034. |  |  | 
|  | (\7\708-25-00360) | CASE ASS'Y,REAR |  | 10001- | 
|  | (\2\708-25-00140) | CASE ASS'Y,REAR |  | (10001-10048) | 
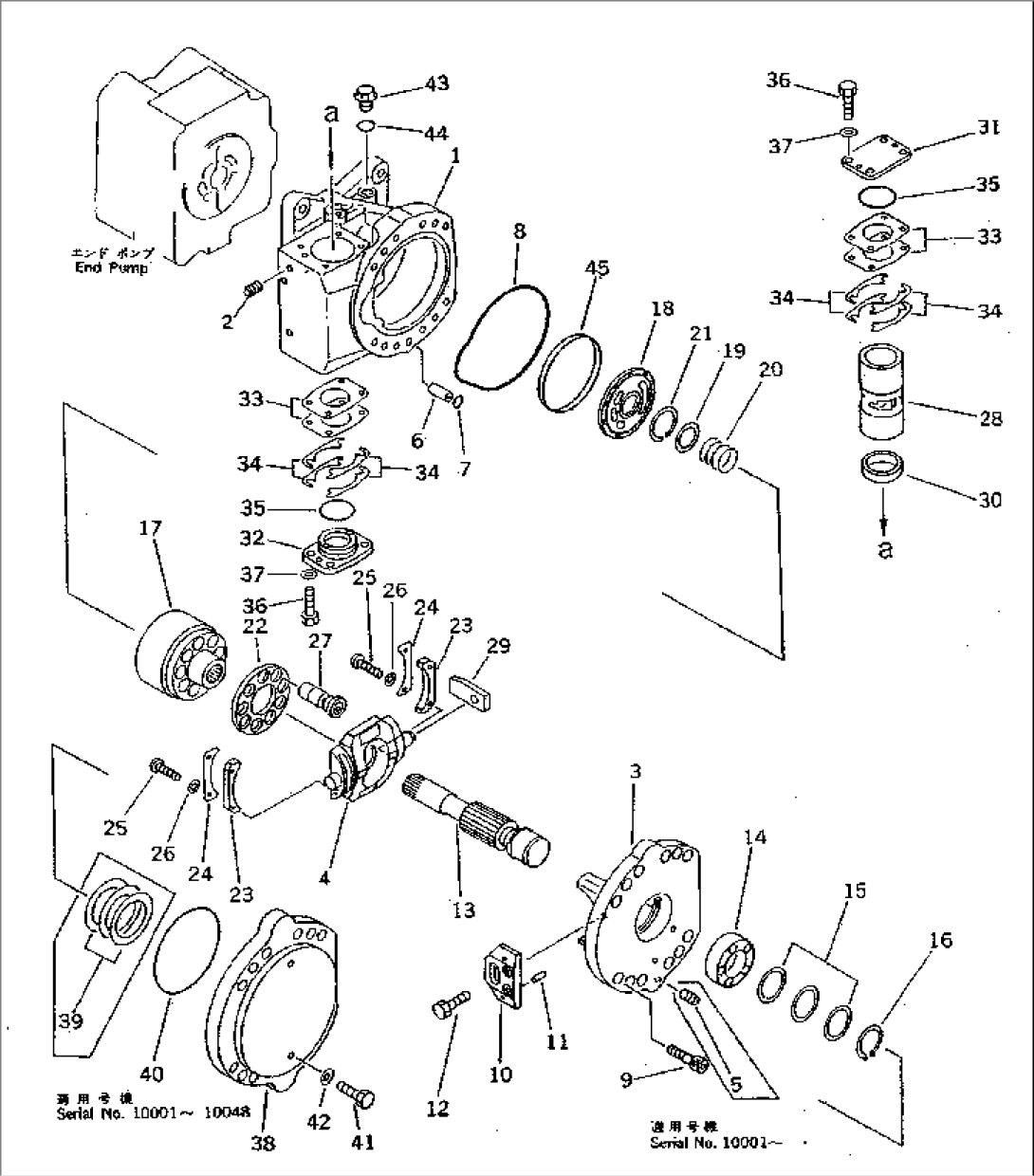
| 1 | \6\ | CASE,REAR |  | 10001- | 
| 2 | \6\ | PLUG |  | 10049- | 
| 2 | \6\ | PLUG |  | 10001-10048 | 
|  | (\4\708-25-00180) | CRADLE ASS'Y,REAR |  | 10001-. | 
|  |  | (708-25-62320,708-25-23411, |  |  | 
|  |  | 708-25-14121) |  |  | 
| 3 | (\7\708-25-62320) | CRADLE,REAR |  | .- | 
| 3 | \6\ | CRADLE,REAR |  | 10001-. | 
| 4 | (\7\708-25-23411) | CAM,CAM |  | ..- | 
| 4 | (\4\708-25-23410) | ROCKER,CAM |  | 10001-.. | 
|  |  | (708-25-23411,708-25-14121) |  |  | 
| 5 | \6\ | PLUG |  | 10001-. | 
| 6 | (\7\708-25-12330) | JOINT |  | 10001- | 
| 7 | (\7\07000-22015) | O-RING |  | 10001- | 
| 7 | (\2\07000-12015) | O-RING |  | (10001-10048) | 
| 8 | (\7\708-25-62360) | O-RING |  | 10001- | 
| 8 | (\2\708-25-12340) | O-RING |  | (10001-10048) | 
| 9 | (\7\708-25-12350) | BOLT |  | 10001- | 
| 10 | (\7\708-25-12360) | PLATE |  | 10001- | 
| 11 | (\7\04020-00820) | PIN,DOWEL |  | 10001- | 
| 12 | (\7\01010-30816) | BOLT |  | 10001- | 
| 13 | (\7\708-25-52721) | SHAFT |  | .- | 
| 13 | \6\ | SHAFT |  | 10001-. | 
| 14 | (\7\708-2L-22150) | BEARING |  | 10001- | 
| 14 | (\2\708-25-12730) | BEARING |  | (10001-10048) | 
| 15 | (\7\708-25-05010) | WASHER KIT |  | 10001- | 
| 15 | \6\ | WASHER, 2.0MM |  | 10001- | 
| 15 | \6\ | WASHER, 2.1MM |  | 10001- | 
| 15 | \6\ | WASHER, 2.2MM |  | 10001- | 
| 16 | (\7\708-25-12790) | RING,SNAP |  | 10001- | 
|  | (\7\708-25-00410) | BLOCK ASS'Y |  | 10001- | 
|  | (\2\708-25-00020) | BLOCK ASS'Y |  | (10001-10055) | 
| 17 | \6\ | BLOCK,CYLINDER |  | 10001- | 
| 18 | \6\ | PLATE,VALVE |  | 10001- | 
| 18 | (\2\708-25-13220) | PLATE,VALVE |  | (10001-10055) | 
| 19 | \6\ | WASHER |  | 10001- | 
| 20 | \6\ | SPRING |  | 10001- | 
| 21 | \6\ | RING,SNAP |  | 10001- | 
| 22 | \6\ | RETAINER,SHOE |  | 10001- | 
| 23 | \6\ | SPACER KIT |  | 10001- | 
| 23 | \6\ | SPACER, 11.575MM |  | 10001- | 
| 23 | \6\ | SPACER, 11.540MM |  | 10001- | 
| 23 | \6\ | SPACER, 11.560MM |  | 10001- | 
| 24 | \6\ | RETAINER |  | 10001- | 
| 25 | \6\ | SCREW |  | 10001- | 
| 26 | \6\ | WASHER |  | 10001- | 
| 27 | (\7\708-25-13314) | PISTON SUB ASS'Y |  | .- | 
| 27 | \0\708-25-13311 | PISTON SUB ASS'Y |  | 10001-. | 
| 28 | \6\ | PISTON |  | 10049- | 
| 28 | \0\708-25-14210 | PISTON |  | 10001-10048 | 
| 29 | (\7\708-25-14121) | SLIDER |  | .- | 
| 29 | (\4\708-25-14120) | SLIDER |  | 10001-. | 
|  |  | (708-25-14121,708-25-23411) |  |  | 
| 30 | 708-45-14370 | COLLAR |  | 10001- | 
| 31 | \6\ | CAP |  | 10001- | 
| 32 | \6\ | CAP |  | 10001- | 
| 33 | \6\ | SHIM KIT |  | 10001- | 
| 33 | \6\ | SHIM, 0.1MM |  | 10001- | 
| 33 | \6\ | SHIM, 0.2MM |  | 10001- | 
| 33 | \6\ | SHIM, 0.5MM |  | 10001- | 
| 34 | \6\ | SHIM, 0.1MM |  | 10001- | 
| 35 | 07000-32065 | O-RING |  | 10001- | 
| 35 | (\2\07000-02065) | O-RING |  | (10001-10048) | 
| 36 | 01016-31035 | BOLT |  | 10049- | 
| 36 | \0\01010-51025 | BOLT |  | 10001-10048 | 
| 37 | 01643-31032 | WASHER |  | 10001- | 
| 38 | 708-45-19990 | COVER |  | 10001- | 
| 39 | (\7\708-25-05030) | SHIM KIT |  | 10001-10048 | 
| 39 | \6\ | SHIM |  | 10001-10048 | 
| 39 | \6\ | SHIM |  | 10001-10048 | 
| 39 | \6\ | SHIM |  | 10001-10048 | 
| 40 | 07000-32120 | O-RING |  | 10001- | 
| 40 | (\2\07000-02120) | O-RING |  | (10001-10048) | 
| 41 | 01010-31230 | BOLT |  | 10001- | 
| 42 | 01643-31232 | WASHER |  | 10001- | 
| 43 | 07044-02412 | PLUG |  | 10001- | 
| 44 | 07002-32434 | O-RING |  | 10001- | 
| 44 | (\2\07002-02434) | O-RING |  | (10001-10048) | 
| 45 | (\7\708-25-13630) | RING |  | 10056- |