
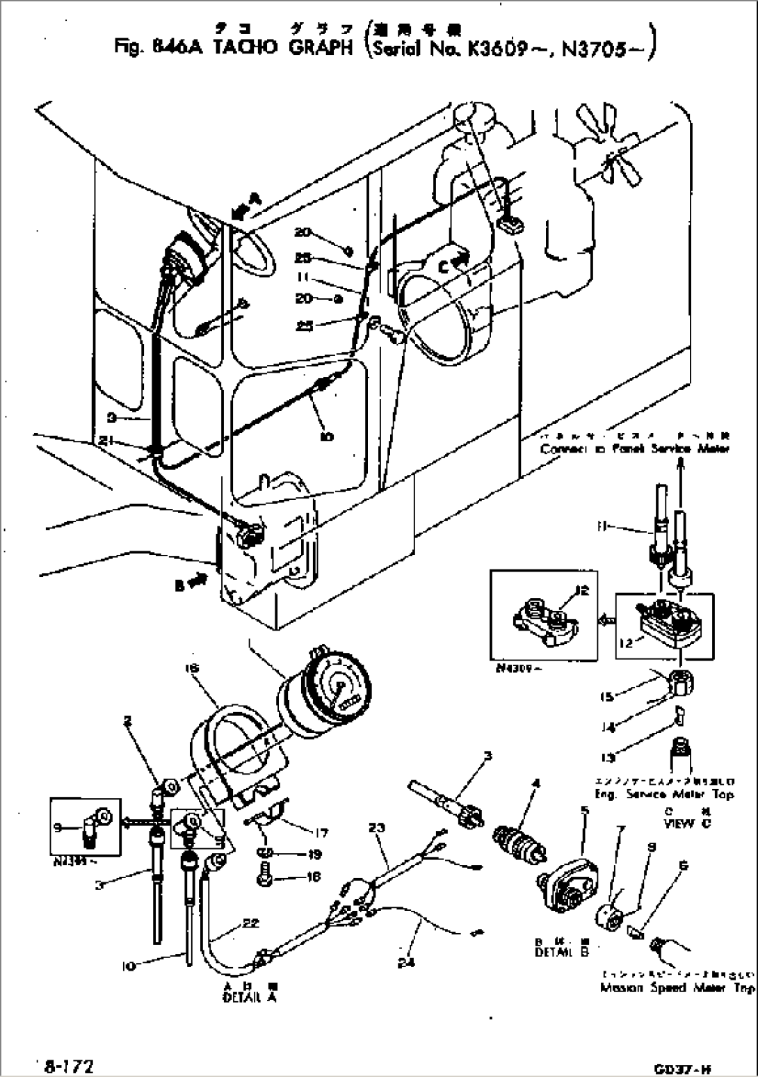
| Item | Part No. | Part Name | Qty | Serial No. |
| 1 | 232-806-8250 | TACHOGRAPH | 3609- | |
| 2 | 232-806-8260 | JOINT | 3609- | |
| 3 | 232-806-8270 | CABLE¤ 2600MM | 3609- | |
| 4 | 232-06-27100 | ADAPTER | 3609- | |
| 5 | 232-806-8280 | BOX,GEAR | 3609- | |
| 6 | 236-14-11150 | KEY | 3609- | |
| 7 | 236-14-11160 | NUT | 3609- | |
| 8 | 04059-01020 | WIRE | 3609- | |
| 9 | 232-806-8290 | GEAR | 3609- | |
| 10 | 232-806-8270 | CABLE¤ 2600MM | 3609- | |
| 11 | 232-806-8310 | CABLE | 3609- | |
| 12 | 232-806-8320 | BOX | 3609- | |
| 13 | 236-14-11150 | KEY | 3609- | |
| 14 | 232-806-8330 | NUT | 3609- | |
| 15 | 04059-01020 | WIRE | 3609- | |
| 16 | 232-806-8132 | BRACKET | 3609- | |
| 17 | 232-806-8160 | CLIP | 3609- | |
| 18 | 01010-50620 | BOLT | 3609- | |
| 19 | 01602-20619 | WASHER | 3609- | |
| 20 | 01571-01016 | SEAT | 3609- | |
| 21 | 08037-03614 | GROMMET | 3609- | |
| 22 | 232-806-8340 | HARNESS | 3609- | |
| 23 | 232-806-8350 | HARNESS | 3609- | |
| 24 | 232-806-8360 | CABLE | 3609- |
