
| Item | Part No. | Part Name | Qty | Serial No. |
| 237-23-00012 | TANDEM DRIVE ASS'Y,L.H. | 1244- | ||
| \0\237-23-00011 | TANDEM DRIVE ASS'Y,L.H. | 1232-1243 | ||
| \0\237-23-00010 | TANDEM DRIVE ASS'Y,L.H. | 1002-1231 | ||
| 237-23-00052 | TANDEM DRIVE ASS'Y,R.H. | 1244- | ||
| \0\237-23-00051 | TANDEM DRIVE ASS'Y,R.H. | 1232-1243 | ||
| \0\237-23-00050 | TANDEM DRIVE ASS'Y,R.H. | 1002-1231 | ||
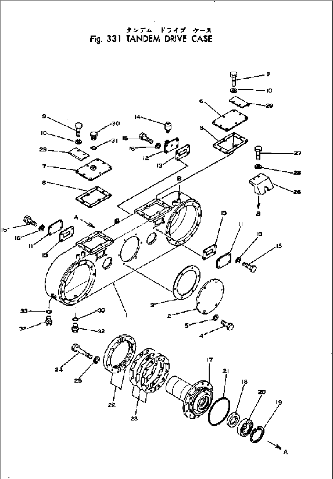
| THESE ASSEMBLIES CONSIST OF ALL PARTS SHOWN IN FIGS.331 AND 332. | ||||
| 1 | 237-23-11111 | CASE | 1232- | |
| 1 | 237-23-11110 | CASE | 1002-1231 | |
| 2 | 232-23-51210 | COVER | 1232- | |
| 2 | 237-23-11120 | COVER | 1002-1231 | |
| 3 | 232-23-51220 | GASKET (KIT) | 1232- | |
| 3 | 237-23-11130 | GASKET (KIT) | 1002-1231 | |
| 4 | 01010-31230 | BOLT | 1232- | |
| 4 | 01010-31230 | BOLT | 1002-1231 | |
| 5 | 01602-01236 | WASHER,SPRING | 1232- | |
| 5 | 01602-01236 | WASHER,SPRING | 1002-1231 | |
| 6 | 237-23-11141 | COVER | 1232- | |
| 6 | 237-23-11140 | COVER | 1002-1231 | |
| 7 | 237-23-11521 | COVER | 1232- | |
| 7 | 237-23-11520 | COVER | 1002-1231 | |
| 8 | 237-23-11151 | GASKET (KIT) | 1232- | |
| 8 | 237-23-11150 | GASKET (KIT) | 1002-1231 | |
| 9 | 01010-31230 | BOLT | 1232- | |
| 9 | 01010-31230 | BOLT | 1002-1231 | |
| 10 | 01602-01236 | WASHER,SPRING | 1232- | |
| 10 | 01602-01236 | WASHER,SPRING | 1002-1231 | |
| 11 | 237-23-11530 | PLATE | 1002- | |
| 12 | 237-23-11540 | PLATE | 1002- | |
| 13 | 237-23-11550 | GASKET (KIT) | 1002- | |
| 14 | 07030-00252 | BREATHER | 1002- | |
| 15 | 01010-31230 | BOLT | 1002- | |
| 16 | 01602-01236 | WASHER,SPRING | 1002- | |
| 17 | 237-23-11241 | FLANGE | 1232- | |
| 17 | \0\237-23-11240 | FLANGE | 1002-1231 | |
| 18 | 07012-00085 | SEAL,OIL (KIT) | 1002- | |
| 19 | 04071-00130 | RING,SNAP | 1002- | |
| 20 | 06000-06215 | BEARING | 1002- | |
| 21 | 07000-15220 | O-RING (KIT) | 1002- | |
| 22 | 237-23-11250 | COVER | 1002- | |
| 23 | 237-23-00020 | SHIM ASS'Y (KIT) | 1002- | |
| 23 | \6\ | SHIM, 0.1MM | 1002- | |
| 23 | \6\ | SHIM, 0.2MM | 1002- | |
| 23 | \6\ | SHIM, 1.0MM | 1002- | |
| 24 | 01010-31475 | BOLT | 1002- | |
| 25 | 01602-01442 | WASHER,SPRING | 1002- | |
| 26 | 237-23-11650 | COVER | 1002- | |
| 27 | 01010-31225 | BOLT | 1002- | |
| 28 | 01602-01236 | WASHER,SPRING | 1002- | |
| 29 | 237-23-11661 | COVER | 1232- | |
| 29 | 237-23-11660 | COVER | 1002-1231 | |
| 30 | 07040-12414 | PLUG | 1002- | |
| 31 | 07002-12434 | O-RING (KIT) | 1002- | |
| 32 | 07044-12434 | PLUG | 1002- | |
| 33 | 07002-12434 | O-RING (KIT) | 1002- |
