
| Item | Part No. | Part Name | Qty | Serial No. |
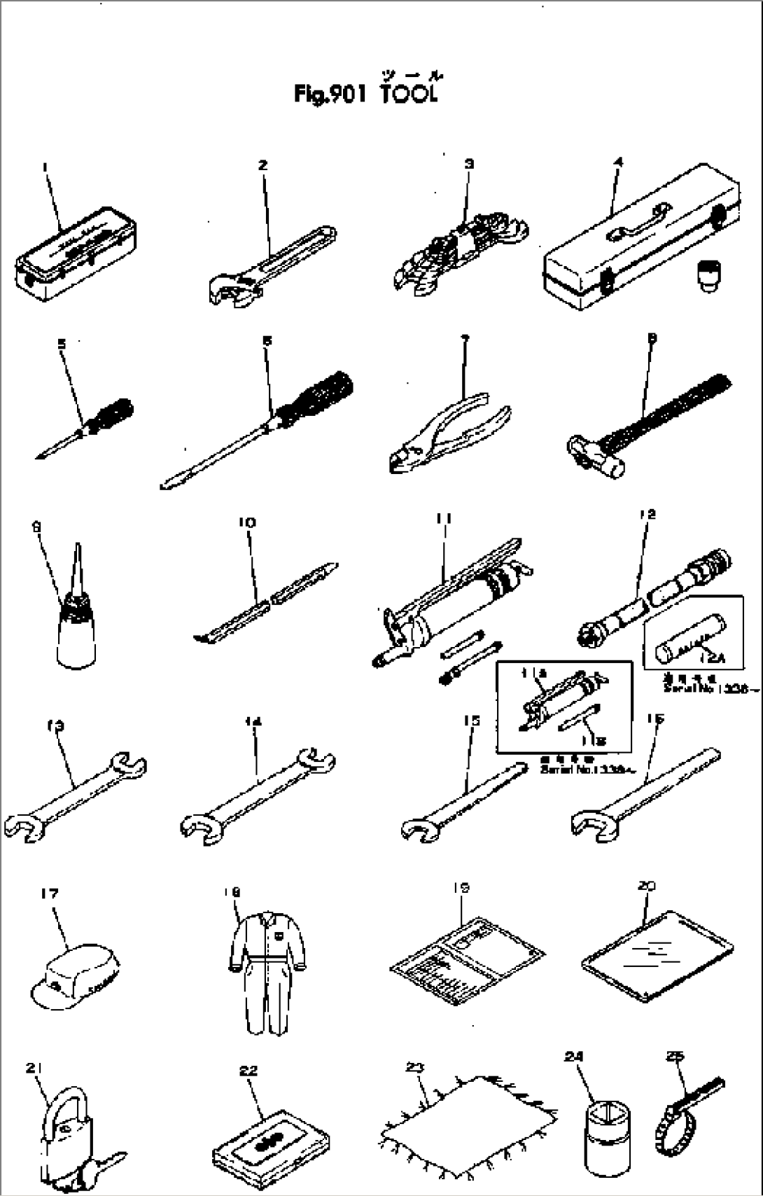
| 1 | 09056-10545 | BAG,TOOL | 1383- | |
| \0\09057-00800 | BOX,TOOL | 1003-1382 | ||
| 2 | 09014-10200 | WRENCH,ADJUSTABLE | 2000- | |
| \0\09014-00200 | WRENCH,ADJUSTABLE | 1003-1999 | ||
| 3 | 09000-30006 | WRENCH SET | 1003- | |
| 09002-00810 | WRENCH¤ 8X10 | 1003- | ||
| 09002-01214 | WRENCH¤ 12X14 | 1003- | ||
| 09002-01317 | WRENCH¤ 13X17 | 1003- | ||
| 09002-01922 | WRENCH¤ 19X22 | 1003- | ||
| 09002-02427 | WRENCH¤ 24X27 | 1003- | ||
| 09002-03032 | WRENCH¤ 30X32 | 1003- | ||
| 4 | 09020-10282 | SOCKET WRENCH SET | 1003- | |
| 09021-01016 | SOCKET¤ 10MM | 1003- | ||
| 09021-01319 | SOCKET¤ 13MM | 1003- | ||
| 09021-01422 | SOCKET¤ 14MM | 1003- | ||
| 09021-01725 | SOCKET¤ 17MM | 1003- | ||
| 09021-01928 | SOCKET¤ 19MM | 1003- | ||
| 09021-02233 | SOCKET¤ 22MM | 1003- | ||
| 09021-02436 | SOCKET¤ 24MM | 1003- | ||
| 09021-02739 | SOCKET¤ 27MM | 1003- | ||
| 09021-03044 | SOCKET¤ 30MM | 1003- | ||
| 09021-03246 | WRENCH¤ 32MM | 1003- | ||
| 09022-00150 | EXTENSION | 1003- | ||
| 09022-00250 | EXTENSION | 1003- | ||
| 09023-00300 | HANDLE | 1003- | ||
| 09024-00300 | HANDLE | 1003- | ||
| 09025-00075 | JOINT | 1003- | ||
| 09026-00250 | HANDLE | 1003- | ||
| 09027-00300 | BAR | 1003- | ||
| 5 | 09030-00075 | DRIVER,SCREW | 1003- | |
| 6 | 09030-00150 | DRIVER,SCREW | 1003- | |
| 7 | 09036-00150 | PLIERS | 1003- | |
| 8 | 09039-00150 | HAMMER | 1003- | |
| 9 | 09040-00800 | OILER | 1003- | |
| 10 | 09055-00750 | BAR,PINCH | 1003- | |
| 11 | 07952-80001 | GREASE PUMP ASS'Y | 1338- | |
| \0\07952-80000 | GREASE PUMP ASS'Y | 1003-1337 | ||
| 11A | 07950-10400 | PUMP,GREASE | 1338- | |
| 07950-00500 | PUMP,GREASE | 1003-1337 | ||
| 11B | 07951-21045 | NOZZLE | 1003- | |
| 12A | 07950-90400 | CARTRIDGE | 1338- | |
| 07951-11400 | NOZZLE,GREASE | 1003- | ||
| 13 | 09002-03032 | WRENCH¤ 30X32 | 1003- | |
| 14 | 09002-03641 | WRENCH¤ 36X41 | 1003- | |
| 15 | 09001-05500 | WRENCH | 1003- | |
| 16 | 09001-06000 | WRENCH | 1003- | |
| 17 | 09982-20057 | CAP | 1003- | |
| 18 | 09980-20450 | OVERALL | 1003- | |
| 19 | 155-98-11110 | TABLE,TOOL | 1003- | |
| 20 | 09069-00280 | CASE | 1003- | |
| 21 | 09460-00000 | LOCK,PAD | 1003- | |
| 22 | 09989-03046 | BOX | 1003- | |
| 23 | 155-98-15110 | SEAT | 1003- | |
| 24 | 195-98-11590 | SOCKET | 1279- | |
| 25 | 09019-08035 | WRENCH | 1383- |
