
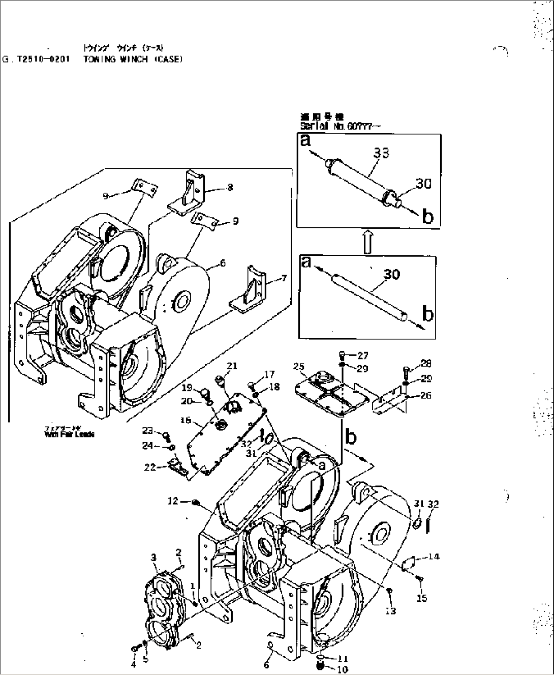
| Item | Part No. | Part Name | Qty | Serial No. |
| 1 | 07043-00108 | PLUG | 60001- | |
| 2 | 04020-01228 | PIN | 60001- | |
| 3 | 14X-960-3850 | COVER | 60001- | |
| 4 | 01010-51245 | BOLT | 60001- | |
| 5 | 01643-31232 | WASHER | 60001- | |
| 6 | 14X-960-3812 | CASE ASS'Y | 60777- | |
| 6 | \0\14X-960-3811 | CASE ASS'Y | 60001-60776 | |
| 6 | 14X-960-8211 | CASE,(WITH FAIR LEAD) | 60777- | |
| 6 | 14X-960-8210 | CASE,(WITH FAIR LEAD) | 60001-60776 | |
| 7 | 14X-960-8220 | BRACKET,L.H. (WITH FAIR LEAD) | 60001- | |
| 8 | 14X-960-8230 | BRACKET,R.H. (WITH FAIR LEAD) | 60001- | |
| 9 | 14X-960-8240 | PLATE,(WITH FAIR LEAD) | 60001- | |
| 10 | 07044-13620 | PLUG | 60001- | |
| 11 | 07002-03634 | O-RING | 60001- | |
| 12 | 144-916-1820 | PLUG | 60001- | |
| 13 | 07043-00108 | PLUG | 60001- | |
| 14 | 09601-00835 | PLATE, NAME,(LIMITED SUPPLY) | 60001- | |
| 15 | 04418-13060 | SCREW | 60001- | |
| 16 | 14X-960-3750 | COVER | 60001- | |
| 17 | 01010-51230 | BOLT | 60001- | |
| 18 | 01643-31232 | WASHER | 60001- | |
| 19 | 07040-13618 | PLUG | 60001- | |
| 20 | 07002-03634 | O-RING | 60001- | |
| 21 | 07030-00252 | BREATHER | 60001- | |
| 22 | 14W-960-7190 | BRACKET | 60001- | |
| 23 | 01010-51235 | BOLT | 60001- | |
| 24 | 01643-31232 | WASHER | 60001- | |
| 25 | 14X-960-3870 | COVER | 60001- | |
| 26 | 14W-960-7220 | BRACKET | 60001- | |
| 27 | 01010-51235 | BOLT | 60001- | |
| 28 | 01010-51260 | BOLT | 60001- | |
| 29 | 01643-31232 | WASHER | 60001- | |
| 30 | 14X-960-3731 | BAR | 60001- | |
| 31 | 176-43-54481 | WASHER | 60001- | |
| 32 | 04050-00060 | PIN,COTTER | 60001- | |
| 33 | 14X-960-3990 | COLLAR | 60777- |
