
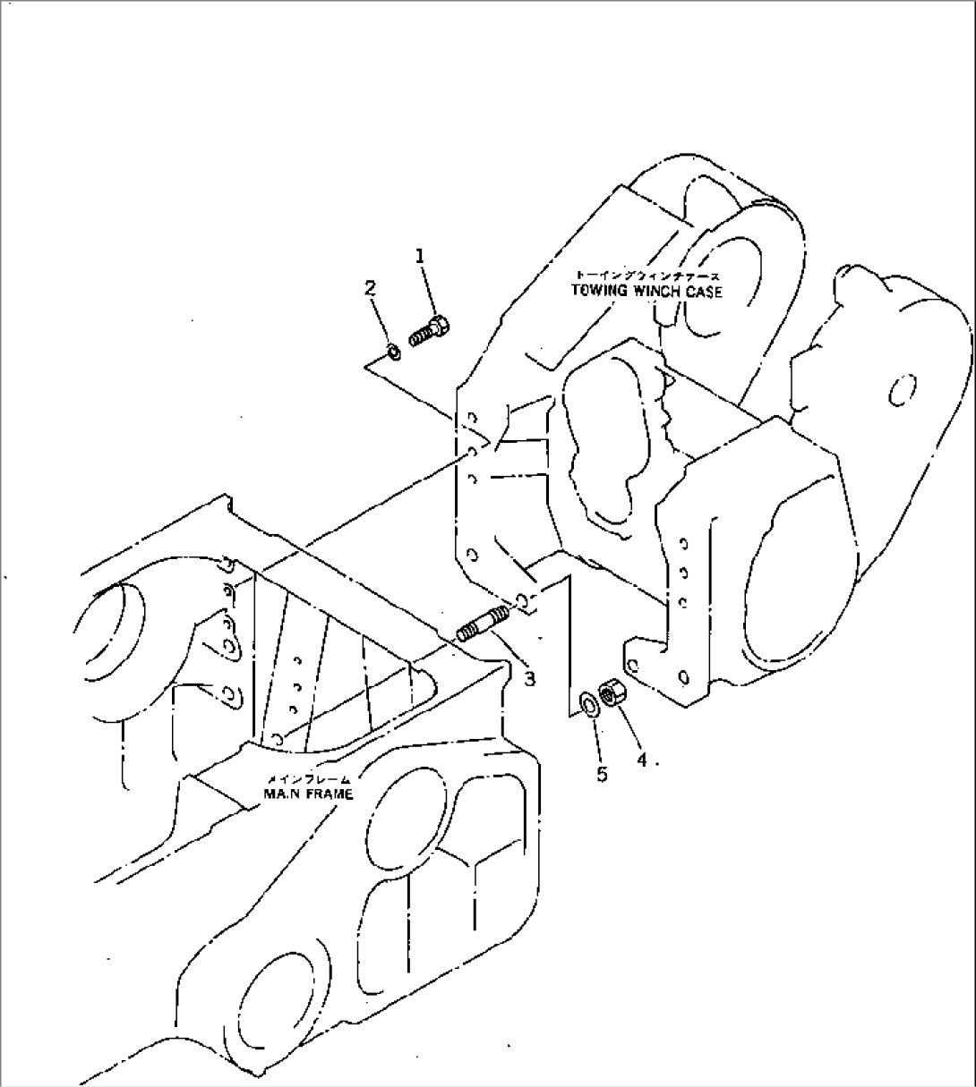
| Item | Part No. | Part Name | Qty | Serial No. |
| 1 | 01010-52465 | BOLT | 60001- | |
| 2 | 01643-32460 | WASHER | 60001- | |
| 3 | 01124-53370 | STUD | 60001- | |
| 4 | 01580-13326 | NUT | 60001- | |
| 5 | 01643-33380 | WASHER | 60001- |

| Item | Part No. | Part Name | Qty | Serial No. |
| 1 | 01010-52465 | BOLT | 60001- | |
| 2 | 01643-32460 | WASHER | 60001- | |
| 3 | 01124-53370 | STUD | 60001- | |
| 4 | 01580-13326 | NUT | 60001- | |
| 5 | 01643-33380 | WASHER | 60001- |