
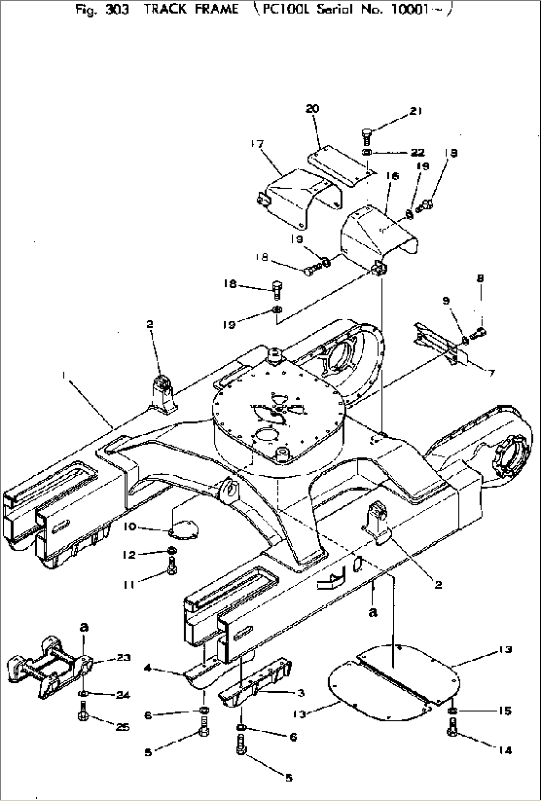
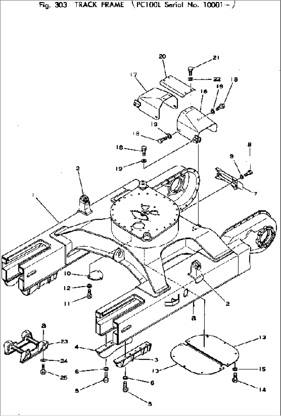
| Item | Part No. | Part Name | Qty | Serial No. |
| 1 | 204-30-21110 | FRAME | 10001- | |
| 2 | 204-30-21120 | SUPPORT (WELDED) | 10001- | |
| 3 | 204-30-21130 | GUARD,OUTER, L.H. AND INNER, R.H. | 10001- | |
| 4 | 204-30-21140 | GUARD,OUTER, R.H. AND INNER, L.H. | 10001- | |
| 5 | 01010-31645 | BOLT | 10001- | |
| 6 | 01643-31645 | WASHER | 10001- | |
| 7 | 204-30-11440 | COVER | 10001- | |
| 8 | 01010-31230 | BOLT | 10001- | |
| 9 | 01643-31232 | WASHER | 10001- | |
| 10 | 203-30-37130 | COVER | 10001- | |
| 11 | 01010-31225 | BOLT | 10001- | |
| 12 | 01643-31232 | WASHER | 10001- | |
| 13 | 204-30-11161 | COVER | 10001- | |
| 14 | 01010-31245 | BOLT | 10001- | |
| 15 | 01643-31232 | WASHER | 10001- | |
| 16 | 204-30-11170 | COVER,L.H. | 10001- | |
| 17 | 204-30-11180 | COVER,R.H. | 10001- | |
| 18 | 01010-31230 | BOLT | 10001- | |
| 19 | 01643-31232 | WASHER | 10001- | |
| 20 | 204-30-11190 | COVER | 10001- | |
| 21 | 01010-31230 | BOLT | 10001- | |
| 22 | 01643-31232 | WASHER | 10001- | |
| 23 | 205-30-62530 | GUARD | 10001- | |
| 24 | 01010-31645 | BOLT | 10001- | |
| 25 | 01643-31645 | WASHER | 10001- |
