
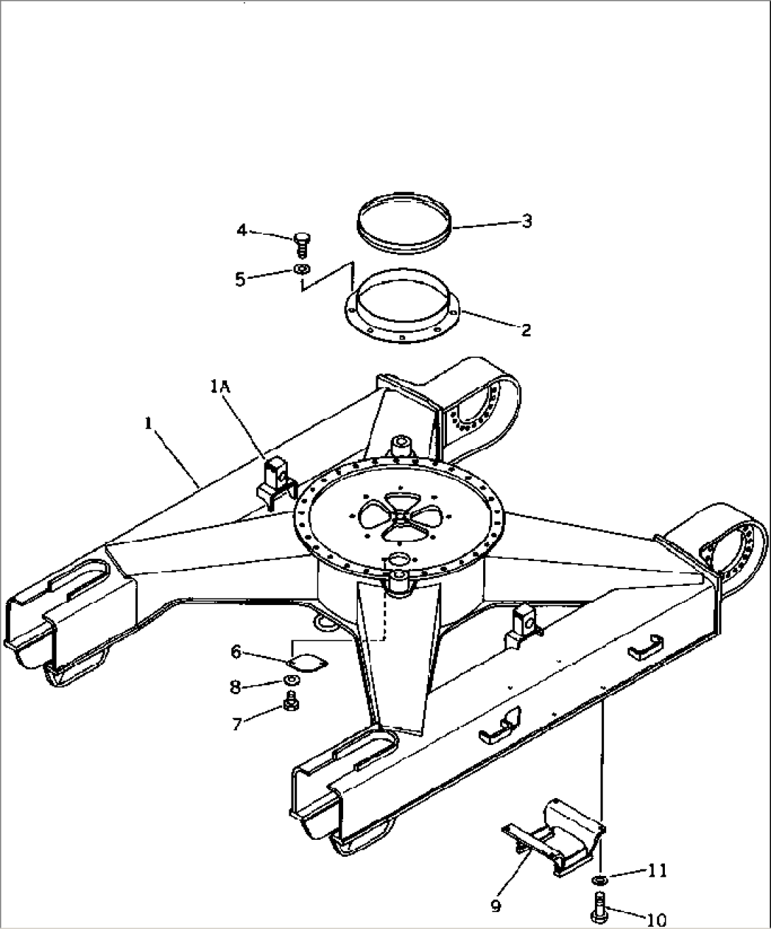
| Item | Part No. | Part Name | Qty | Serial No. |
| 1 | 21K-30-21210 | FRAME,TRACK | 3001- | |
| 1A | 21K-30-21290 | SUPPORT (WELDED) | 3001- | |
| 2 | 21K-30-22120 | COVER | 3001- | |
| 3 | 20G-47-11381 | SEAL | 3001- | |
| 4 | 01010-51225 | BOLT | 3001- | |
| 5 | 01643-31232 | WASHER | 3001- | |
| 6 | 205-30-67650 | COVER | 3001- | |
| 7 | 01010-51225 | BOLT | 3001- | |
| 8 | 01643-31232 | WASHER | 3001- | |
| 9 | 204-30-31140 | GUARD | 3001- | |
| 10 | 01010-51645 | BOLT | 3001- | |
| 11 | 01643-31645 | WASHER | 3001- |
