
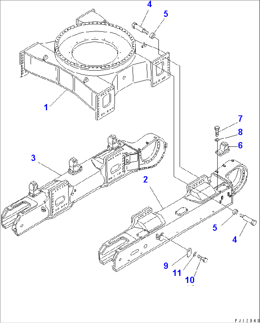
| Item | Part No. | Part Name | Qty | Serial No. |
| 1 | 21T-30-71113 | FRAME | 10030- | |
| (\2\21T-30-71112) | FRAME | (10030-10048) | ||
| 21T-30-71111 | FRAME | 10001-10029 | ||
| 2 | 21T-30-71121 | FRAME,L.H. | 10001- | |
| 3 | 21T-30-71131 | FRAME,R.H. | 10001- | |
| 4 | 21T-30-71160 | BOLT | 10001- | |
| 5 | 21T-30-71170 | WASHER | 10001- | |
| 6 | 21T-30-71140 | SUPPORT | 10001- | |
| 7 | 01010-83080 | BOLT | 10001- | |
| 8 | 01643-33080 | WASHER | 10001- | |
| 9 | 209-30-11220 | PLATE | 10001- | |
| 10 | 01010-81225 | BOLT | 10085- | |
| 01010-51225 | BOLT | 10001-10084 | ||
| 11 | 01643-31232 | WASHER | 10001- |
