
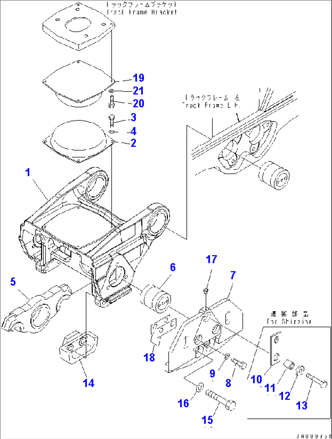
| Item | Part No. | Part Name | Qty | Serial No. |
| 195-30-01830 | BOGIE ASS'Y,(LARGE) | 55001- | ||
| 1 | 195-30-66510 | BOGIE | 55001- | |
| 2 | 195-30-66531 | PAD | 55001- | |
| 3 | 01010-81225 | BOLT | 55001- | |
| 4 | 01643-31232 | WASHER | 55001- | |
| 5 | 195-30-66520 | BOGIE | 55001- | |
| 6 | (195-30-62400) | PIN ASS'Y,(SEE FIG.R2100-02A0) | 55001- | |
| 7 | 195-30-67370 | GUARD | 55001- | |
| 8 | 01010-62455 | BOLT | 55001- | |
| 9 | 01643-32460 | WASHER | 55001- | |
| 10 | 195-30-66611 | PLATE | 55001- | |
| 11 | 198-30-66190 | COLLAR | 55001- | |
| 12 | 19M-54-11770 | PLATE | 55001- | |
| 13 | 01011-62410 | BOLT | 55001- | |
| 14 | 195-30-67410 | GUIDE | 55001- | |
| 15 | 01011-62720 | BOLT | 55001- | |
| 16 | 01643-32780 | WASHER | 55001- | |
| 17 | 07049-01012 | PLUG | 55001- | |
| 18 | 195-30-67420 | SHIM | 55001- | |
| 19 | 195-30-66531 | PAD | 55001- | |
| 20 | 01010-81225 | BOLT | 55001- | |
| 21 | 01643-31232 | WASHER | 55001- |
