
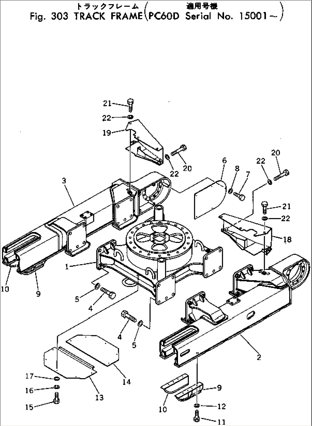
| Item | Part No. | Part Name | Qty | Serial No. |
| 1 | 201-30-37120 | FRAME | 15001- | |
| 2 | 201-30-37110 | FRAME | 15001- | |
| 3 | 201-30-37130 | FRAME | 15001- | |
| 4 | 01010-52470 | BOLT | 15001- | |
| 5 | 01643-32460 | WASHER | 15001- | |
| 6 | 201-30-31120 | COVER | 15001- | |
| 7 | 01010-31020 | BOLT | 15001- | |
| 8 | 01643-31032 | WASHER | 15001- | |
| 9 | 201-30-12111 | GUARD | 15001- | |
| 10 | 201-30-12121 | GUARD | 15001- | |
| 11 | 01010-31430 | BOLT | 15001- | |
| 12 | 01602-01442 | WASHER | 15001- | |
| 13 | 201-30-27650 | COVER | 15001- | |
| 14 | 201-30-27660 | COVER | 15001- | |
| 15 | 01010-31230 | BOLT | 15001- | |
| 16 | 01602-01236 | WASHER | 15001- | |
| 17 | 01643-31232 | WASHER | 15001- | |
| 18 | 201-62-37570 | COVER | 15001- | |
| 19 | 201-62-37580 | COVER | 15001- | |
| 20 | 01010-31055 | BOLT | 15001- | |
| 21 | 01010-31020 | BOLT | 15001- | |
| 22 | 01643-31032 | WASHER | 15001- |
