
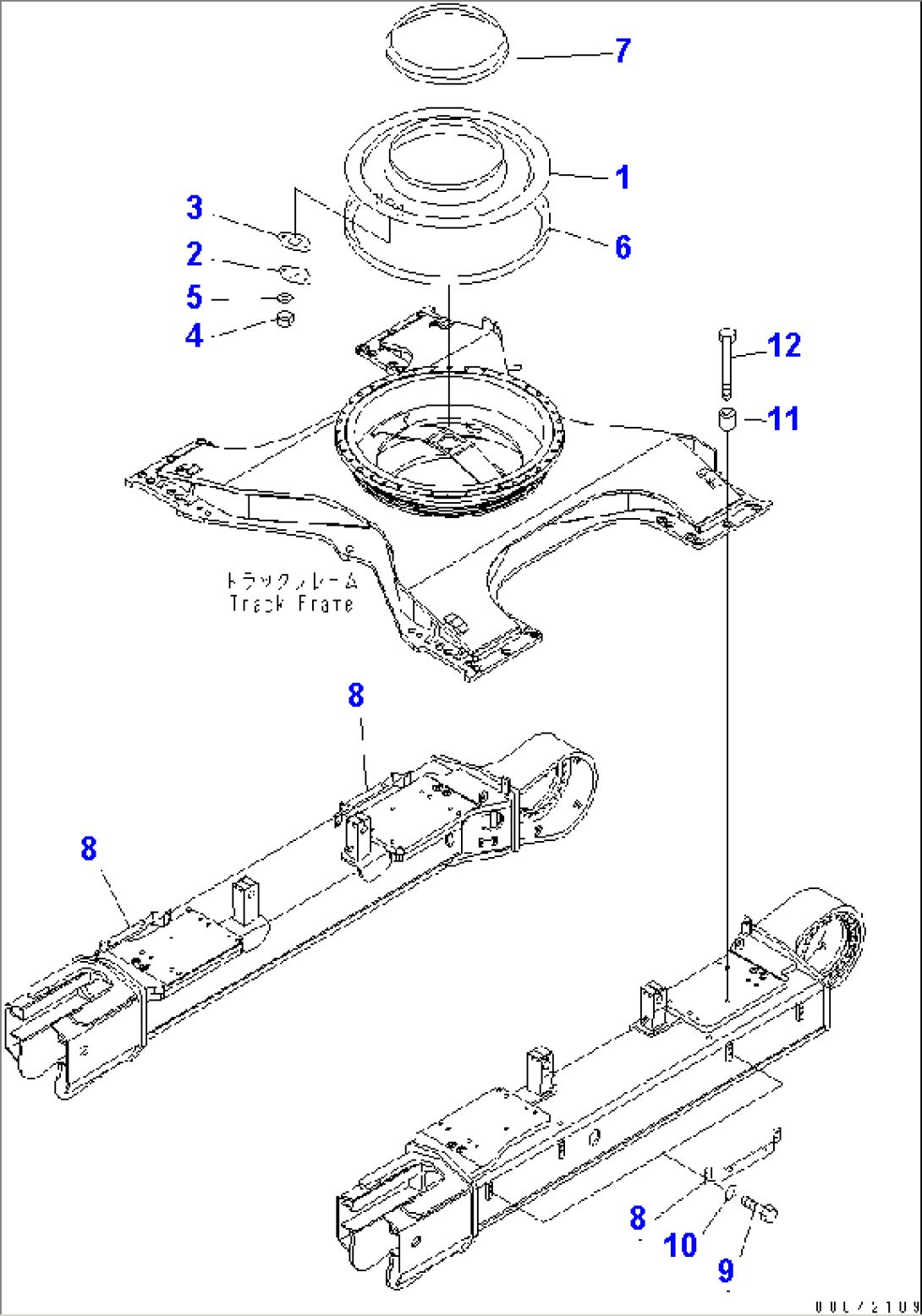
| Item | Part No. | Part Name | Qty | Serial No. |
| 1 | 208-30-61220 | COVER | 30001- | |
| 2 | 205-30-71181 | COVER | 30001- | |
| 3 | 205-30-71191 | GASKET | 30001- | |
| 4 | 01580-11008 | NUT | 30001- | |
| 5 | 01643-31032 | WASHER | 30001- | |
| 6 | 207-30-51260 | SEAL | 30001- | |
| 7 | 205-30-71171 | SEAL | 30001- | |
| 8 | 208-30-75710 | BRACKET | 30001- | |
| 9 | 01010-81640 | BOLT | 30001- | |
| 10 | 01643-31645 | WASHER | 30001- | |
| 11 | 208-30-75390 | COLLAR | 30001- | |
| 12 | 208-30-12130 | BOLT | 30001- |
