
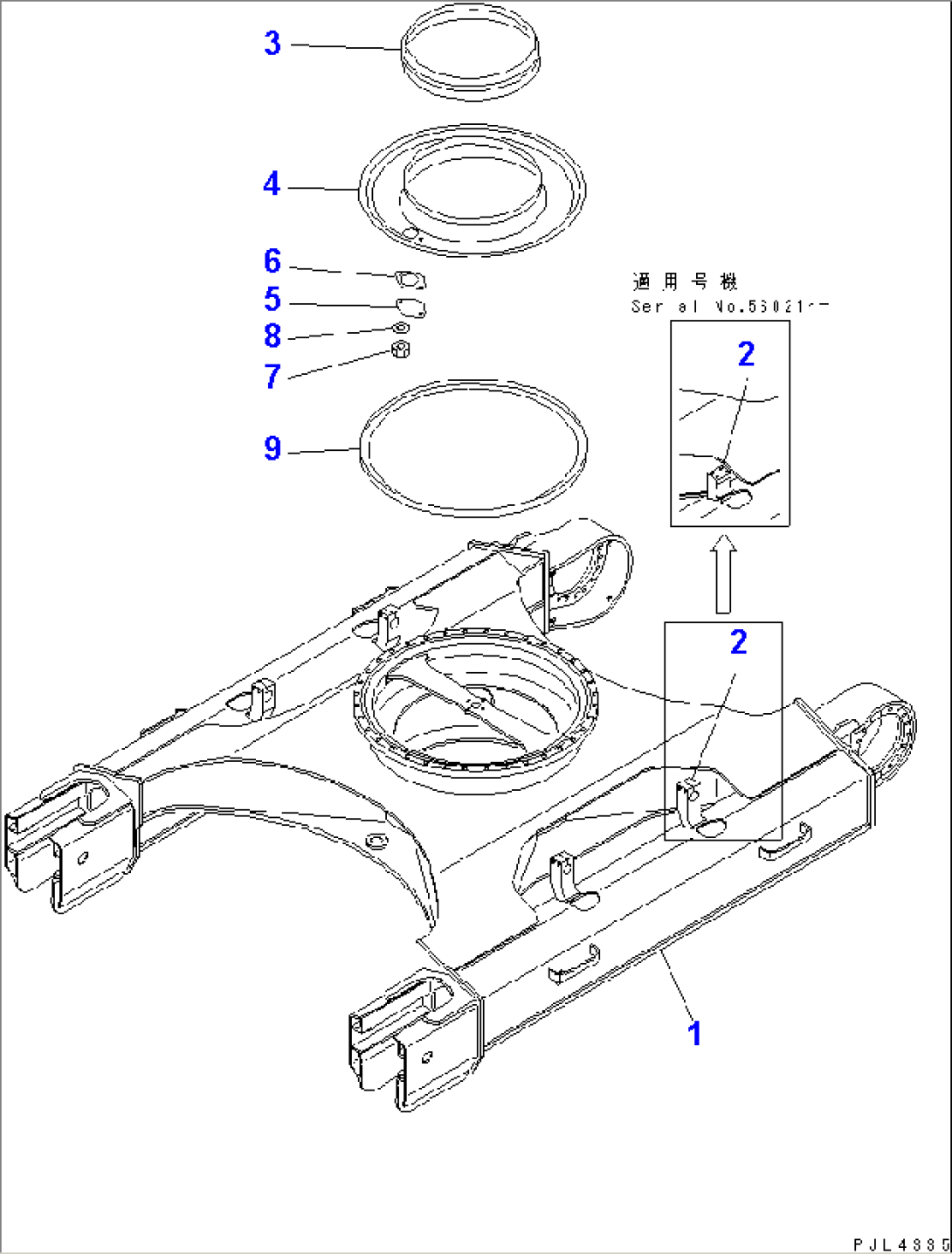
| Item | Part No. | Part Name | Qty | Serial No. |
| 1 | 206-30-61212 | TRACK FRAME | 56021- | |
| 1 | 206-30-61211 | FRAME,TRACK | 52278-56020 | |
| 2 | 20Y-30-21N61 | BRACKET (WELDED) | 56021- | |
| 2 | 20Y-30-21N60 | BRACKET (WELDED) | 52278-56020 | |
| 3 | 205-30-71171 | SEAL | 50001- | |
| 4 | 20Y-30-21151 | COVER | 55992- | |
| 4 | 20Y-30-21150 | COVER | 50001-55991 | |
| 5 | 205-30-71181 | COVER | 50001- | |
| 6 | 205-30-71191 | GASKET | 50001- | |
| 7 | 01580-11008 | NUT | 50001- | |
| 8 | 01643-31032 | WASHER | 50001- | |
| 9 | 20Y-30-11370 | SEAL | 50001- |
