
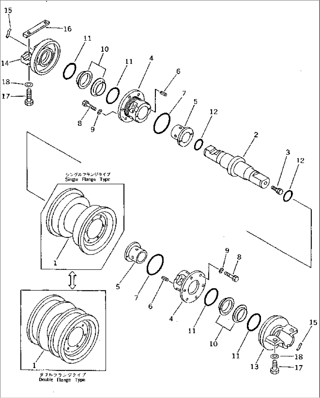
| Item | Part No. | Part Name | Qty | Serial No. |
| \3\131-30-00321 | TRACK ROLLER ASS'Y,SINGLE | 83430-84039 | ||
| (131-30-00343{01010-81665(4))} | ||||
| \3\131-30-00331 | TRACK ROLLER ASS'Y,DOUBLE | 83430-84039 | ||
| (131-30-00353{01010-81665(4))} | ||||
| 1 | 140-30-16240 | ROLLER,SINGLE | 83430-84039 | |
| 140-30-16260 | ROLLER,DOUBLE | 83430-84039 | ||
| 2 | 141-30-16111 | SHAFT | 83001-84039 | |
| 3 | 07052-31624 | PLUG | 83001-84039 | |
| 131-30-00110 | BUSHING ASS'Y | 83001-84039 | ||
| 4 | \6\ | BUSHING | 83001-84039 | |
| 5 | 131-30-46130 | BUSHING | 83001-84039 | |
| 6 | 141-30-36310 | PIN,SPRING | 83001-84039 | |
| 7 | 07000-03092 | O-RING | 83001-84039 | |
| 8 | 01010-31025 | BOLT | 83001-84039 | |
| 9 | 01602-01030 | WASHER,SPRING | 83001-84039 | |
| 140-30-00141 | FLOATING SEAL ASS'Y | 83001-84039 | ||
| 10 | \6\ | RING,SEAL | 83001-84039 | |
| 11 | \6\ | O-RING | 83001-84039 | |
| 12 | 07000-03045 | O-RING | 83001-84039 | |
| 13 | 140-30-16162 | COLLAR | 83001-84039 | |
| 14 | 140-30-16170 | COLLAR | 83001-84039 | |
| 15 | 130-09-16740 | RING | 83001-84039 | |
| 16 | 130-30-16120 | LOCK | 83001-84039 | |
| 17 | 01010-31655 | BOLT | 83001-84039 | |
| 18 | 01643-31645 | WASHER | 83001-84039 |
