
| Item | Part No. | Part Name | Qty | Serial No. |
| (428-15-00070) | TRANSMISSION ASS'Y | 10001- | ||
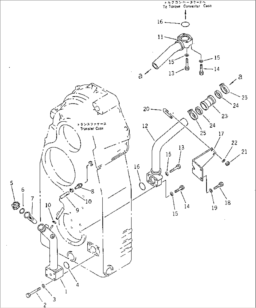
| 428-15-00140 | CASE ASS'Y | 10001- | ||
| 1 | \6\ | CASE,TRANSFER | 10001- | |
| 2 | 07042-70312 | PLUG | 10001- | |
| 3 | 07030-00252 | BREATHER | 10001- | |
| 4 | 124-15-41690 | PIN | 10001- | |
| 5 | 428-15-11680 | BOSS | 10001- | |
| 6 | 428-15-13730 | PLUG | 10001- | |
| 7 | 07043-72026 | PLUG | 10001- | |
| 8 | 07043-72026 | PLUG | 10001- | |
| 9 | 07000-42145 | O-RING (K3) | 10001- | |
| 10 | 07000-73040 | O-RING (K3) | 10001- | |
| 11 | 04530-02438 | BOLT,EYE | 10001- | |
| 12 | 425-15-13450 | COVER | 10001- | |
| 13 | 07000-42115 | O-RING (K3) | 10001- | |
| 14 | 01010-51230 | BOLT | 10001- | |
| 15 | 01602-21236 | WASHER | 10001- | |
| 16 | 426-15-13712 | FLANGE | 10001- | |
| 17 | 07000-42100 | O-RING (K3) | 10001- | |
| 18 | 562-15-11570 | MAGNET ASS'Y | 10001- | |
| 19 | 287-15-11560 | SPRING, (L=114.0) | 10001- | |
| 20 | 426-15-13721 | COVER | 10001- | |
| 21 | 01010-51230 | BOLT | 10001- | |
| 22 | 01011-51225 | BOLT | 10001- | |
| 23 | 01643-31232 | WASHER | 10001- | |
| 426-60-15150 | VALVE ASS'Y | 10001- | ||
| 24 | 6693-22-5610 | BODY,VALVE | 10001- | |
| 25 | 04020-00514 | PIN,DOWEL | 10001- | |
| 26 | 6693-22-5620 | VALVE | 10001- | |
| 27 | 426-60-15160 | PLUG | 10001- | |
| 28 | 07000-73028 | O-RING (K3) | 10001- | |
| 29 | 01010-51030 | BOLT | 10001- | |
| 30 | 01602-21030 | WASHER,SPRING | 10001- | |
| 31 | 04020-01228 | PIN,DOWEL | 10001- | |
| 32 | 41E-15-19610 | O-RING (K3) | 10001- | |
| 33 | 426-15-18210 | PLATE | 10001- | |
| 34 | 01640-21223 | WASHER | 10001- | |
| 35 | 01010-51240 | BOLT | 10001- | |
| 36 | 01010-51235 | BOLT | 10001- | |
| 37 | 01643-31232 | WASHER | 10001- |
