
| Item | Part No. | Part Name | Qty | Serial No. |
| (427-15-11004) | TRANSMISSION ASS'Y | 50029- | ||
| (427-15-11003) | TRANSMISSION ASS'Y | 50002-50028 | ||
| (427-15-00013) | TRANSMISSION ASS'Y | 50001-50001 | ||
| THESE ASSEMBLIES CONSIST OF ALL PARTS SHOWN IN FIGS.F4320-51A0 TO F4320-65A0. | ||||
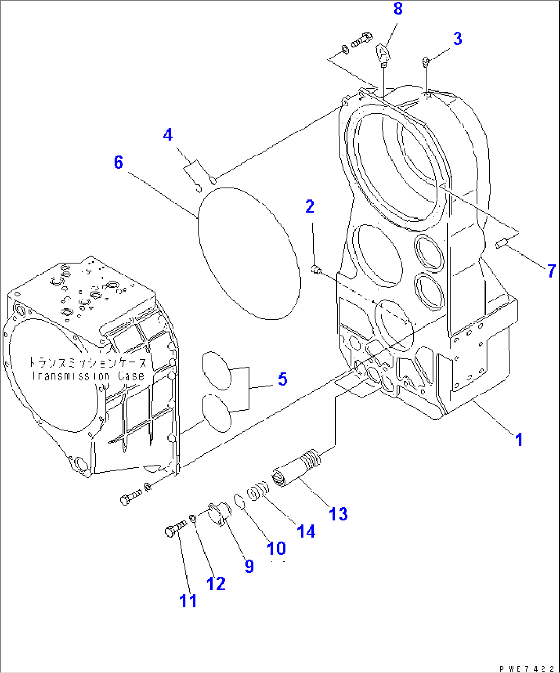
| 427-15-00181 | CASE ASS'Y | 50029- | ||
| 427-15-00180 | CASE ASS'Y | 50001-50028 | ||
| 1 | \6\ | CASE | 50029- | |
| \6\ | CASE | 50001-50028 | ||
| 2 | 07043-72026 | PLUG | 50001- | |
| 3 | 07042-70211 | PLUG | 50001- | |
| 4 | 07000-73035 | O-RING (K3) | 50001- | |
| 5 | 07000-05190 | O-RING (K3) | 50001- | |
| 6 | 281-09-11110 | O-RING (K3) | 50001- | |
| 7 | 04020-01842 | PIN,DOWEL | 50001- | |
| 8 | 04530-03655 | BOLT | 50001- | |
| 9 | 427-15-13390 | COVER | 50001- | |
| 10 | 07000-02075 | O-RING (K3) | 50001- | |
| 11 | 01010-81240 | BOLT | 50001- | |
| 12 | 01643-31232 | WASHER | 50001- | |
| 13 | 562-15-11570 | MAGNET ASS'Y | 50001- | |
| 14 | 287-15-11560 | SPRING¤ (L=114.0) | 50001- |
