
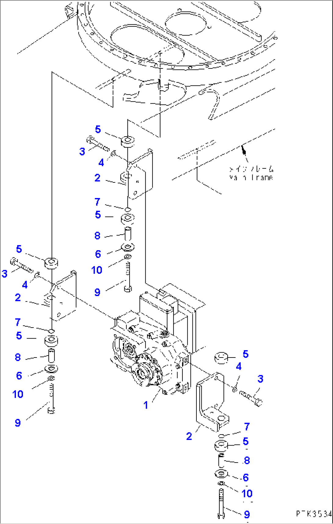
| Item | Part No. | Part Name | Qty | Serial No. |
| 1 | (20G-14-K1200) | TRANSMISSION ASSEMBLY | K32001- | |
| (20G-14-K3102) | TRANSMISSION ASSEMBLY | K30449-K31999 | ||
| (20G-14-K3101) | TRANSMISSION ASSEMBLY | K30001-K30448 | ||
| 2 | 20G-47-K2170 | BRACKET | K30001- | |
| 3 | 01010-81640 | BOLT | K30001- | |
| 4 | 01643-31645 | WASHER | K30001- | |
| 5 | 203-54-21110 | CUSHION | K30001- | |
| 6 | 203-62-61571 | PLATE | K30001- | |
| 7 | 07000-13025 | O-RING | K30001- | |
| 8 | 20E-47-K1270 | SPACER | K30001- | |
| 9 | 01011-81610 | BOLT | K30001- | |
| 10 | 01643-31645 | WASHER | K30001- |
