
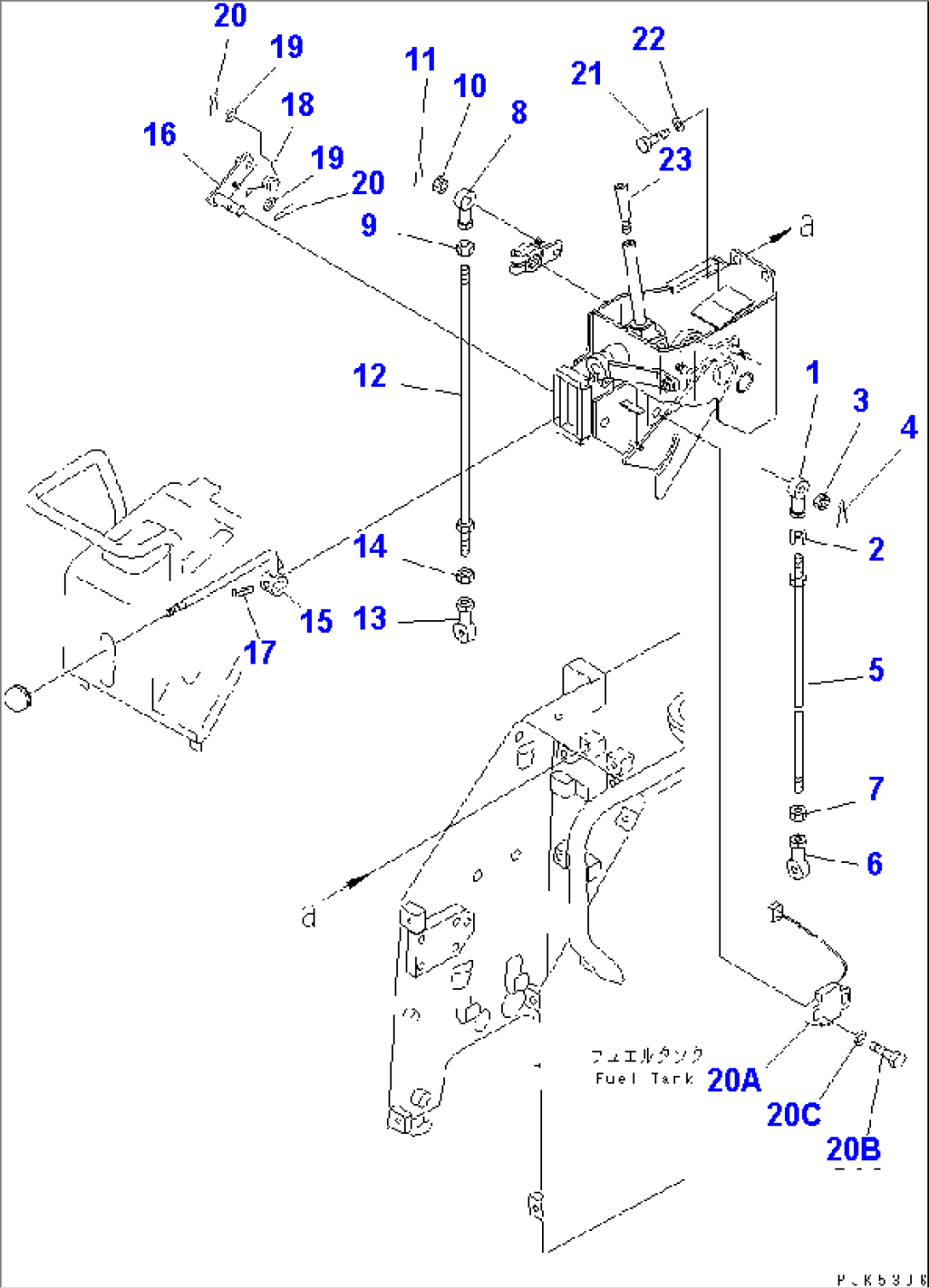
| Item | Part No. | Part Name | Qty | Serial No. |
| SERIAL NO. 80199 INDICATES D21A-7. THE OTHER MACHINES ARE AS FOLLOWS. | ||||
| D20A-7 = 80089 | ||||
| D20A-7B = 80060 | ||||
| D21A-7B = 80143 | ||||
| 1 | 04250-80847 | END | 80199- | |
| 2 | 01580-10806 | NUT | 80199- | |
| 3 | 01590-30809 | NUT | 80199- | |
| 4 | 04050-12015 | PIN | 80199- | |
| 5 | 04248-30836 | ROD | 80199- | |
| 6 | 04250-90847 | END,ROD¤ L.H. THREAD | 80199- | |
| 7 | 01508-40805 | NUT | 80199- | |
| 8 | 04250-90847 | END,ROD¤ L.H. THREAD | 80199- | |
| 9 | 01508-40805 | NUT | 80199- | |
| 10 | 01590-30809 | NUT | 80199- | |
| 11 | 04050-12015 | PIN | 80199- | |
| 12 | 04248-30829 | ROD | 80199- | |
| 13 | 04250-80847 | END | 80199- | |
| 14 | 01580-10806 | NUT | 80199- | |
| 15 | 114-43-51660 | LEVER | 80199- | |
| 16 | 104-43-48340 | LEVER | 80199- | |
| 17 | 04025-00324 | PIN | 80199- | |
| 18 | 09463-00006 | SPRING | 78604- | |
| 19 | 01641-20608 | WASHER | 78604- | |
| 20 | 04050-11610 | PIN | 78604- | |
| 20A | (08076-50400) | SWITCH | 80199- | |
| 20B | (01010-81030) | BOLT | 80199- | |
| 20C | (01643-31032) | WASHER | 80199- | |
| 21 | 01010-81020 | BOLT | 80199- | |
| 22 | 01643-31032 | WASHER | 80199- | |
| 23 | 104-43-48230 | EXTENSION | 80199- |
