
| Item | Part No. | Part Name | Qty | Serial No. |
| (103-15-00601) | TRANSMISSION ASS'Y | 62707- | ||
| (\0\103-15-00600) | TRANSMISSION ASS'Y | 60001-62706 | ||
| THESE ASSEMBLIES CONSIST OF ALL PARTS SHOWN IN FIGS.2501 TO 2506 AND 2551, 2561. | ||||
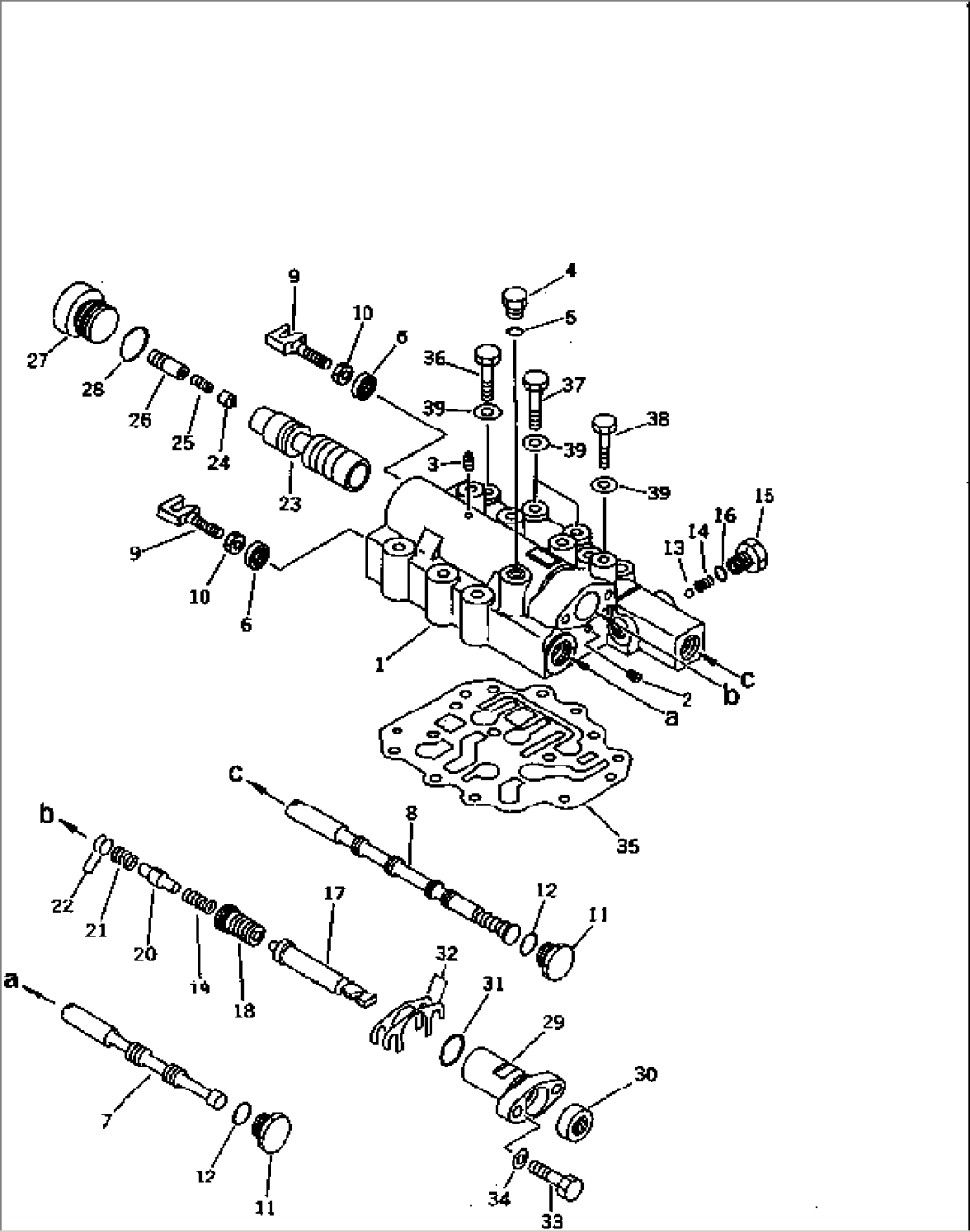
| 103-15-00720 | VALVE ASS'Y,SELECTOR AND INCHING | 60001- | ||
| 1 | 363-15-15410 | BODY | 60001- | |
| 2 | 07043-00108 | PLUG | 60001- | |
| 3 | 07042-20108 | PLUG | 60001- | |
| 4 | 07040-11209 | PLUG | 60001- | |
| 5 | 07002-01223 | O-RING | 60001- | |
| 6 | 113-15-29110 | SEAL,OIL | 60001- | |
| 7 | 363-15-15430 | SPOOL,DIRECTIONAL | 60001- | |
| 8 | 363-15-15450 | SPOOL,SPEED | 60001- | |
| 9 | 09363-00850 | YOKE | 60001- | |
| 10 | 01580-10806 | NUT | 60001- | |
| 11 | 113-15-25481 | PLUG | 60001- | |
| 12 | 07002-01823 | O-RING | 60001- | |
| 103-15-15340 | DETENT ASS'Y | 60001- | ||
| 13 | 04260-00635 | BALL | 60001- | |
| 14 | 103-15-15350 | SPRING | 60001- | |
| 15 | 103-15-15330 | RETAINER | 60001- | |
| 16 | 07002-01223 | O-RING | 60001- | |
| 17 | 363-15-15510 | SPOOL,INCHING | 60001- | |
| 18 | 104-15-35170 | STOPPER | 60001- | |
| 19 | 103-15-36160 | SPRING | 60001- | |
| 20 | 363-15-15530 | STOPPER | 60001- | |
| 21 | 103-15-36150 | SPRING | 60001- | |
| 22 | 104-15-36490 | SHIM, 0.2MM | 60001- | |
| 22 | 104-15-36480 | SHIM, 0.5MM | 60001- | |
| 23 | 363-15-15520 | VALVE | 60001- | |
| 24 | 22W-75-18890 | VALVE | 60001- | |
| 25 | 125-15-15290 | SPRING | 60001- | |
| 26 | 22W-75-18880 | VALVE | 60001- | |
| 27 | 124-15-45450 | PLUG | 60001- | |
| 28 | 07002-03034 | O-RING | 60001- | |
| 29 | 104-15-35230 | COVER | 60001- | |
| 30 | 113-15-29110 | SEAL,OIL | 60001- | |
| 31 | 07000-72021 | O-RING | 60001- | |
| 32 | 104-15-36470 | SHIM, 0.2MM | 60001- | |
| 32 | 104-15-36460 | SHIM, 0.5MM | 60001- | |
| 33 | 01010-50825 | BOLT | 60001- | |
| 34 | 01643-30823 | WASHER | 60001- | |
| 35 | 103-15-35920 | GASKET | 60001- | |
| 36 | 01010-50850 | BOLT | 60001- | |
| 37 | 01010-50855 | BOLT | 60001- | |
| 38 | 01010-50875 | BOLT | 60001- | |
| 39 | 01643-30823 | WASHER | 60001- |
