
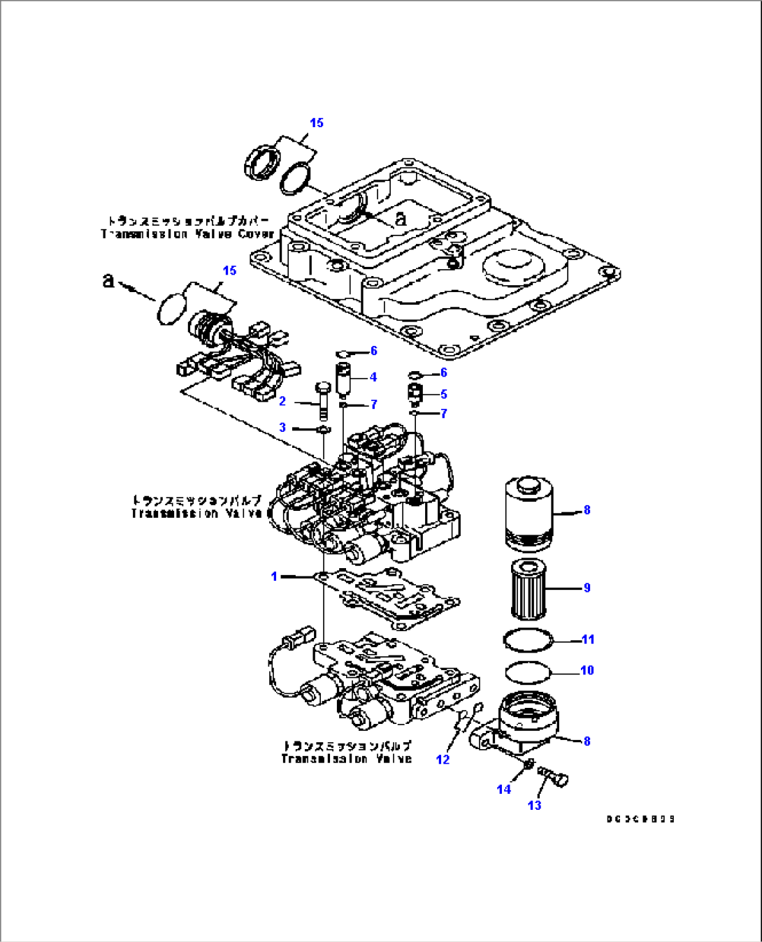
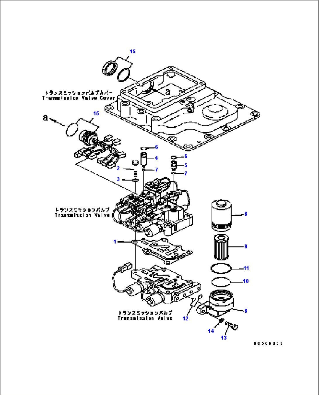
| Item | Part No. | Part Name | Qty | Serial No. | 
| (134-15-71000) | TRANSMISSION ASSEMBLY | B40001- | ||
| THIS ASSEMBLY CONSISTS OF ALL PARTS SHOWN IN FIGS.F2320-51A0 TO F2320-62A0. | ||||
| 14X-15-75500 | T/M VALVE ASSEMBLY | B40001- | ||
| THIS ASSEMBLY CONSISTS OF ALL PARTS SHOWN IN FIGS.F2320-57A0 TO F2320-59A0. | ||||
| 1 | 195-15-75531 | GASKET (K3) | B40001- | |
| 2 | 01010-81055 | BOLT | B40001- | |
| 3 | 01643-31032 | WASHER | B40001- | |
| 4 | 17M-15-45541 | PLUG | B40001- | |
| 5 | 14X-15-25841 | PLUG | B40001- | |
| 6 | 07000-72012 | O-RING (K3) | B40001- | |
| 7 | 07002-11823 | O-RING (K3) | B40001- | |
| 8 | 154-15-65552 | FILTER ASSEMBY | B40900- | |
| 154-15-65550 | FILTER ASSEMBLY | B40001-B40899 | ||
| 9 | 154-15-65561 | ELEMENT | B40900- | |
| 9 | 154-15-65560 | ELEMENT | B40001-B40899 | |
| 10 | 209-38-12480 | O-RING (K3) | B40001- | |
| 11 | 209-38-12490 | RING (K3) | B40001- | |
| 12 | 07000-72014 | O-RING (K3) | B40001- | |
| 13 | 01010-81035 | BOLT | B40001- | |
| 14 | 01643-31032 | WASHER | B40001- | |
| 15 | 14X-15-27200 | WIRING HARNESS | B40001- | 
