
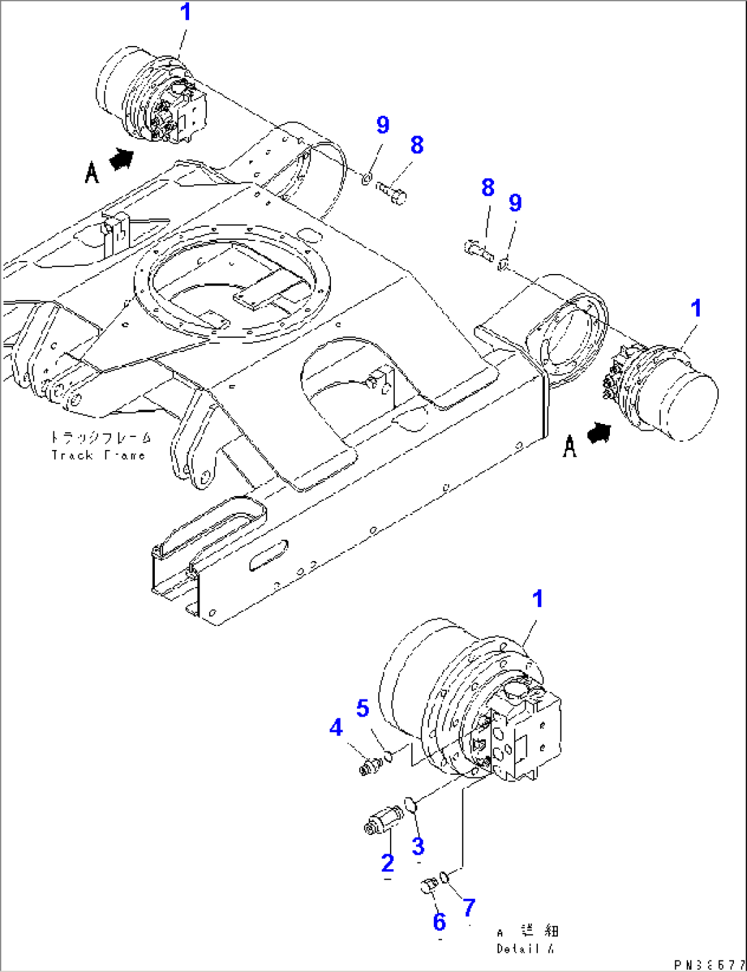
| Item | Part No. | Part Name | Qty | Serial No. |
| 1 | (20P-60-81101) | MOTOR ASS'Y,TRAVEL | 10001- | |
| 2 | 20N-62-71266 | NIPPLE | 10001- | |
| 3 | 07000-12018 | O-RING | 10001- | |
| 4 | 20N-62-31250 | NIPPLE | 10001- | |
| 5 | 07000-12011 | O-RING | 10001- | |
| 6 | 20N-62-31220 | PLUG | 10001- | |
| 7 | 07000-12011 | O-RING | 10001- | |
| 8 | 01010-81230 | BOLT | 10001- | |
| 9 | 01643-31232 | WASHER | 10001- |
