
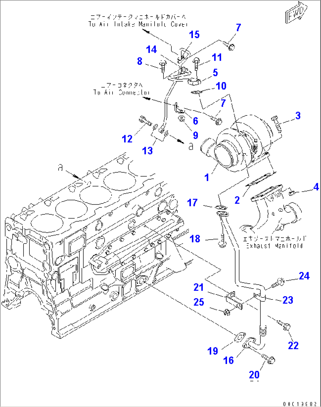
Item | Part No. | Part Name | Qty | Serial No. |
1 | (6156-81-8110) | TURBOCHARGER ASS'Y,(SEE FIG.A1530-B3K4) | 311222- | |
2 | 6151-11-5710 | GASKET (K1) | 311222- | |
3 | 01050-61045 | BOLT | 311222- | |
4 | 6114-11-5590 | NUT | 311222- | |
5 | 6154-51-8610 | TUBE,SUPPLY | 311222- | |
6 | 6215-51-8180 | BRACKET | 311222- | |
7 | 01435-01020 | BOLT | 311222- | |
8 | 01435-01025 | BOLT | 311222- | |
9 | 01584-01008 | NUT | 311222- | |
10 | 6221-51-8160 | GASKET (K1) | 311222- | |
11 | 01435-00830 | BOLT | 311222- | |
12 | 07206-31014 | BOLT,JOINT | 311222- | |
13 | 07005-01412 | GASKET (K1) | 311222- | |
14 | 6151-53-8280 | CLIP | 311222- | |
15 | 6151-51-8540 | CLIP | 311222- | |
16 | 6154-51-8580 | TUBE,RETURN | 311222- | |
17 | 6151-51-8721 | GASKET (K1) | 311222- | |
18 | 01435-00820 | BOLT | 311222- | |
19 | 6154-51-8310 | GASKET (K1) | 311222- | |
20 | 01435-01025 | BOLT | 311222- | |
21 | 6212-65-6650 | BRACKET | 311222- | |
22 | 01435-01030 | BOLT | 311222- | |
23 | 04434-51910 | CLIP | 311222- | |
24 | 01435-01020 | BOLT | 311222- | |
25 | 01584-01008 | NUT | 311222- |