
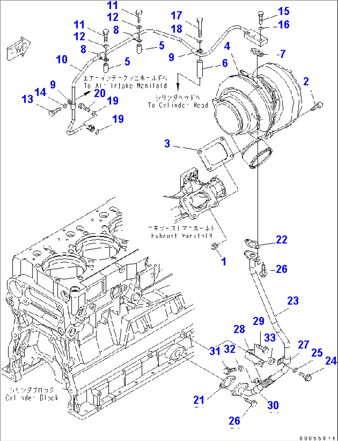
| Item | Part No. | Part Name | Qty | Serial No. |
| 1 | 6114-11-5590 | NUT | 531873- | |
| 2 | 6138-13-4510 | BOLT | 531873- | |
| 3 | 6261-11-5850 | GASKET | 531873- | |
| 4 | (6505-71-5520) | TURBOCHARGER ASS'Y,(SEE FIG.A1530-C4L7) | 531873- | |
| 5 | 207-62-32890 | COLLAR | 531873- | |
| 6 | 6136-11-5120 | SPACER | 531873- | |
| 7 | 6151-51-8161 | GASKET | 531873- | |
| 8 | 6215-71-4930 | CLAMP | 531873- | |
| 9 | 6215-71-4940 | CLAMP | 531873- | |
| 10 | 6261-51-8310 | TUBE,SUPPLY | 531873- | |
| 11 | 01010-80850 | BOLT | 531873- | |
| 12 | 01643-30823 | WASHER | 531873- | |
| 13 | 01010-81020 | BOLT | 531873- | |
| 14 | 01643-31032 | WASHER | 531873- | |
| 15 | 01010-81035 | BOLT | 531873- | |
| 16 | 01643-31032 | WASHER | 531873- | |
| 17 | 01010-81090 | BOLT | 531873- | |
| 18 | 01643-31032 | WASHER | 531873- | |
| 19 | 07005-01412 | SEAL, WASHER | 531873- | |
| 20 | 07206-31014 | BOLT,JOINT | 531873- | |
| 21 | 6127-51-6822 | GASKET | 531873- | |
| 22 | 6151-51-8151 | GASKET | 531873- | |
| 23 | 6261-51-8320 | TUBE,RETURN | 531873- | |
| 24 | 01435-01020 | BOLT | 531873- | |
| 25 | 01643-31032 | WASHER | 531873- | |
| 26 | 01435-01025 | BOLT | 531873- | |
| 27 | 04434-51910 | CLIP | 531873- | |
| 28 | 6261-51-8130 | BRACKET | 531873- | |
| 29 | 01435-01025 | BOLT | 531873- | |
| 30 | 04434-51910 | CLIP | 531873- | |
| 31 | 01435-01025 | BOLT | 531873- | |
| 32 | 01643-31032 | WASHER | 531873- | |
| 33 | 01584-01008 | NUT | 531873- |
