
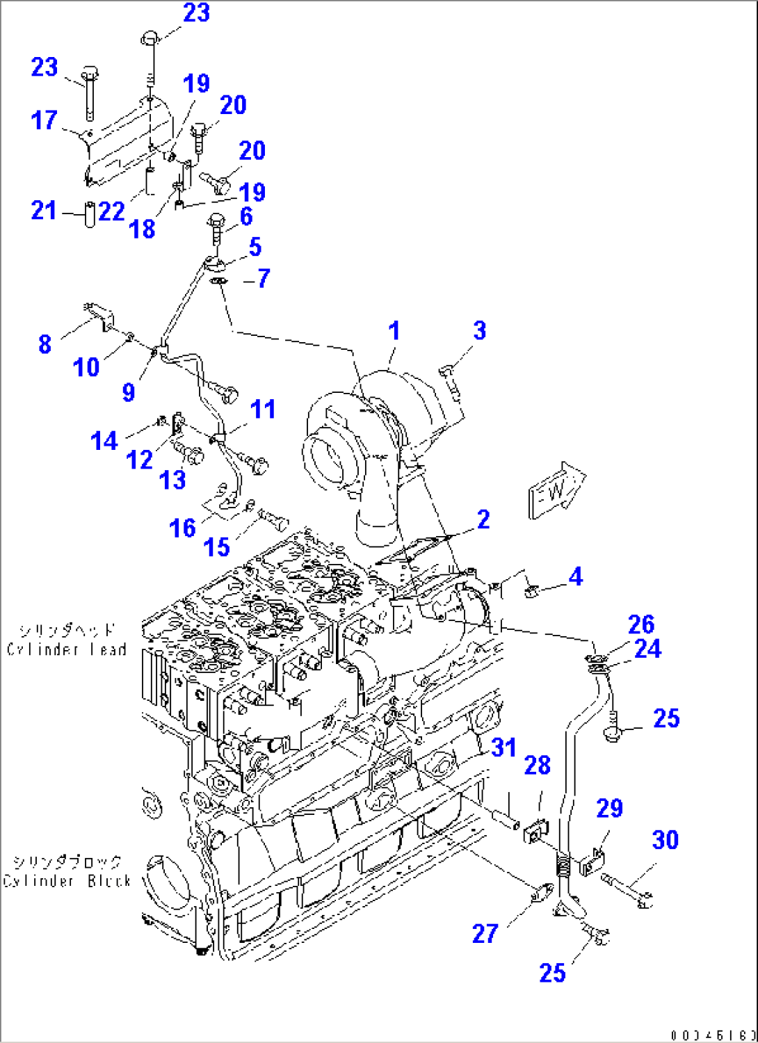
| Item | Part No. | Part Name | Qty | Serial No. |
| 1 | (6502-52-5040) | TURBOCHARGER ASS'Y,(SEE FIG.A1530-C6J3) | 610272- | |
| 2 | 6240-11-5920 | GASKET | 610272- | |
| 3 | 6166-11-9910 | BOLT | 610272- | |
| 4 | 6685-11-5550 | NUT | 610272- | |
| 5 | 6245-51-8150 | TUBE,SUPPLY | 610272- | |
| 6 | 01435-01030 | BOLT | 610272- | |
| 7 | 6151-51-8161 | GASKET | 610272- | |
| 8 | 6240-51-8910 | BRACKET | 610272- | |
| 9 | 6151-53-8280 | CLIP | 610272- | |
| 10 | 21T-72-14930 | BOSS | 610272- | |
| 11 | 6151-53-8280 | CLIP | 610272- | |
| 12 | 426-06-11570 | BRACKET | 610272- | |
| 13 | 01435-01030 | BOLT | 610272- | |
| 14 | 6110-23-6490 | SPACER | 610272- | |
| 15 | 07206-31014 | BOLT,JOINT | 610272- | |
| 16 | 07005-01412 | SEAL, WASHER | 610272- | |
| 17 | 6240-51-8710 | COVER | 610272- | |
| 18 | 6136-21-5630 | BRACKET | 610272- | |
| 19 | 6631-11-5630 | SPACER | 610272- | |
| 20 | 01435-01035 | BOLT | 610272- | |
| 21 | 6240-51-8760 | SPACER | 610272- | |
| 22 | 6240-51-8770 | SPACER | 610272- | |
| 23 | 01435-01095 | BOLT | 610272- | |
| 24 | 6245-51-8120 | TUBE,RETURN | 610272- | |
| 25 | 01435-01025 | BOLT | 610272- | |
| 26 | 6151-51-8151 | GASKET | 610272- | |
| 27 | 6127-51-6822 | GASKET | 610272- | |
| 28 | 6245-51-8350 | CLAMP | 610272- | |
| 29 | 6245-51-8340 | CLAMP | 610272- | |
| 30 | 01436-01035 | BOLT | 610272- | |
| 31 | 6130-12-4571 | SPACER | 610272- |
