
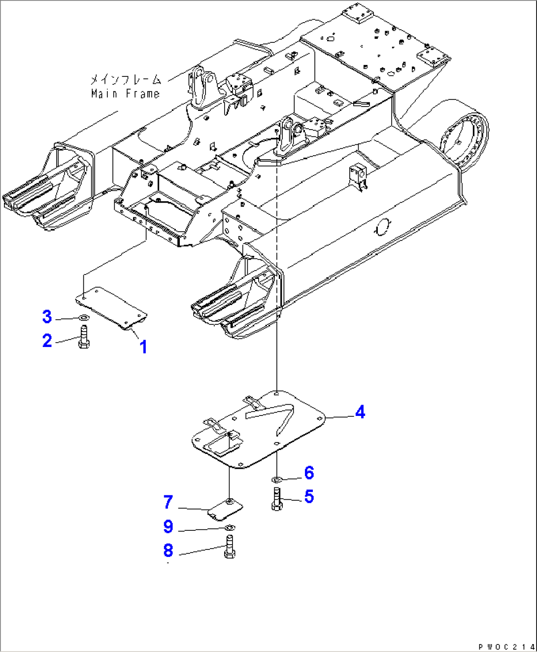
| Item | Part No. | Part Name | Qty | Serial No. |
| 1 | 11Y-21-11282 | COVER | 1501- | |
| 2 | 01010-81235 | BOLT | 1501- | |
| 3 | 01643-31232 | WASHER | 1501- | |
| 4 | 11Y-21-11292 | COVER | 1501- | |
| 5 | 01010-81235 | BOLT | 1501- | |
| 6 | 175-54-27360 | COLLAR | 1501- | |
| 7 | 11Y-21-11310 | COVER | 1501- | |
| 8 | 01010-81225 | BOLT | 1501- | |
| 9 | 01643-31232 | WASHER | 1501- |
