
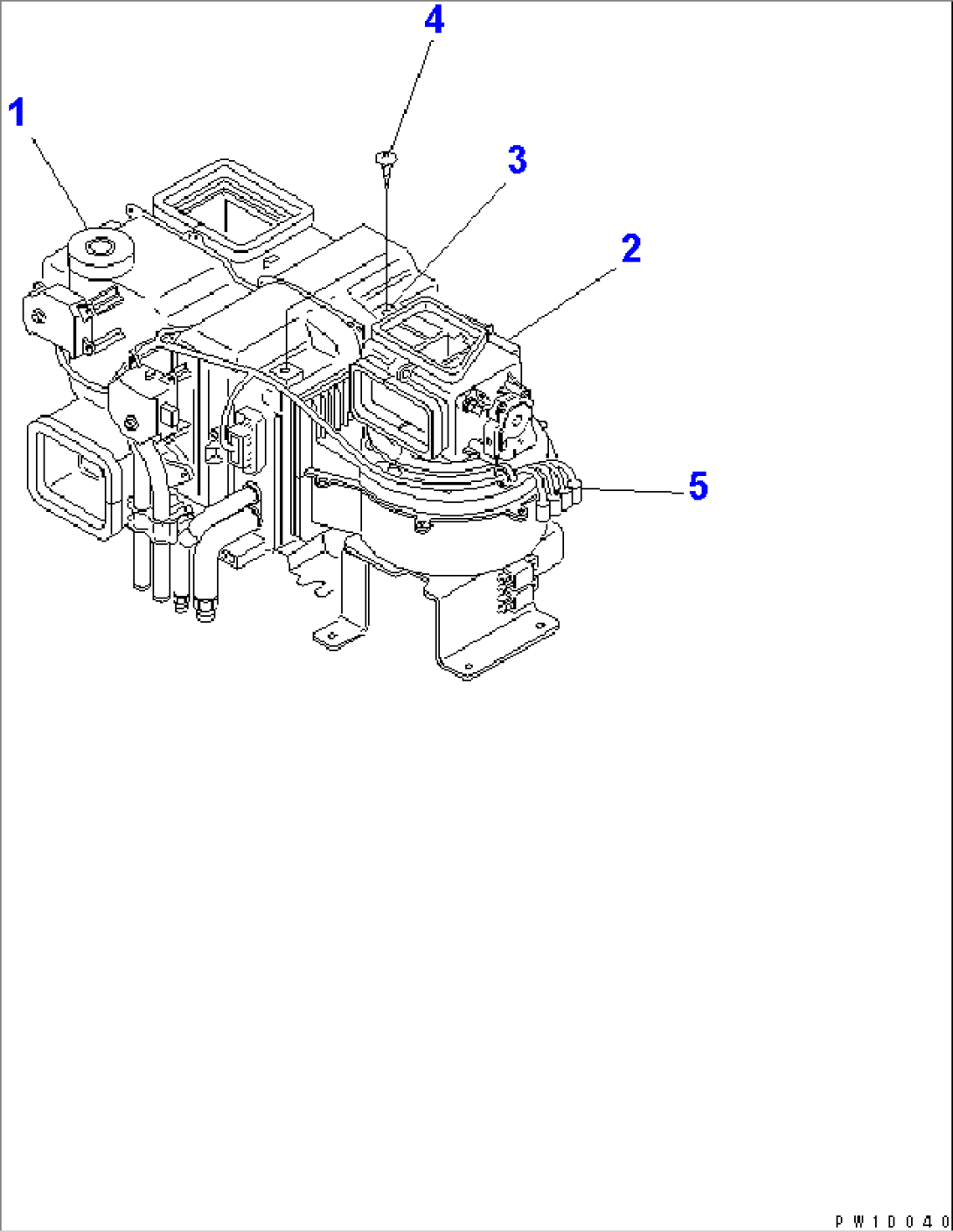
| Item | Part No. | Part Name | Qty | Serial No. |
| 20Y-979-6111 | UNIT ASS'Y | K40001- | ||
| 1 | (ND448800-5222) | UNIT ASS'Y,COOLING | K40001- | |
| 2 | (ND117200-0843) | BLOWER ASS'Y | K40001- | |
| 3 | ND146525-6041 | BRACKET,PARTS | K40001- | |
| 4 | ND90930-06141 | SCREW,TAPPING | K40001- | |
| 5 | ND246460-9451 | HARNESS SUB ASS'Y,AIR CONDITIONER | K40001- |
