
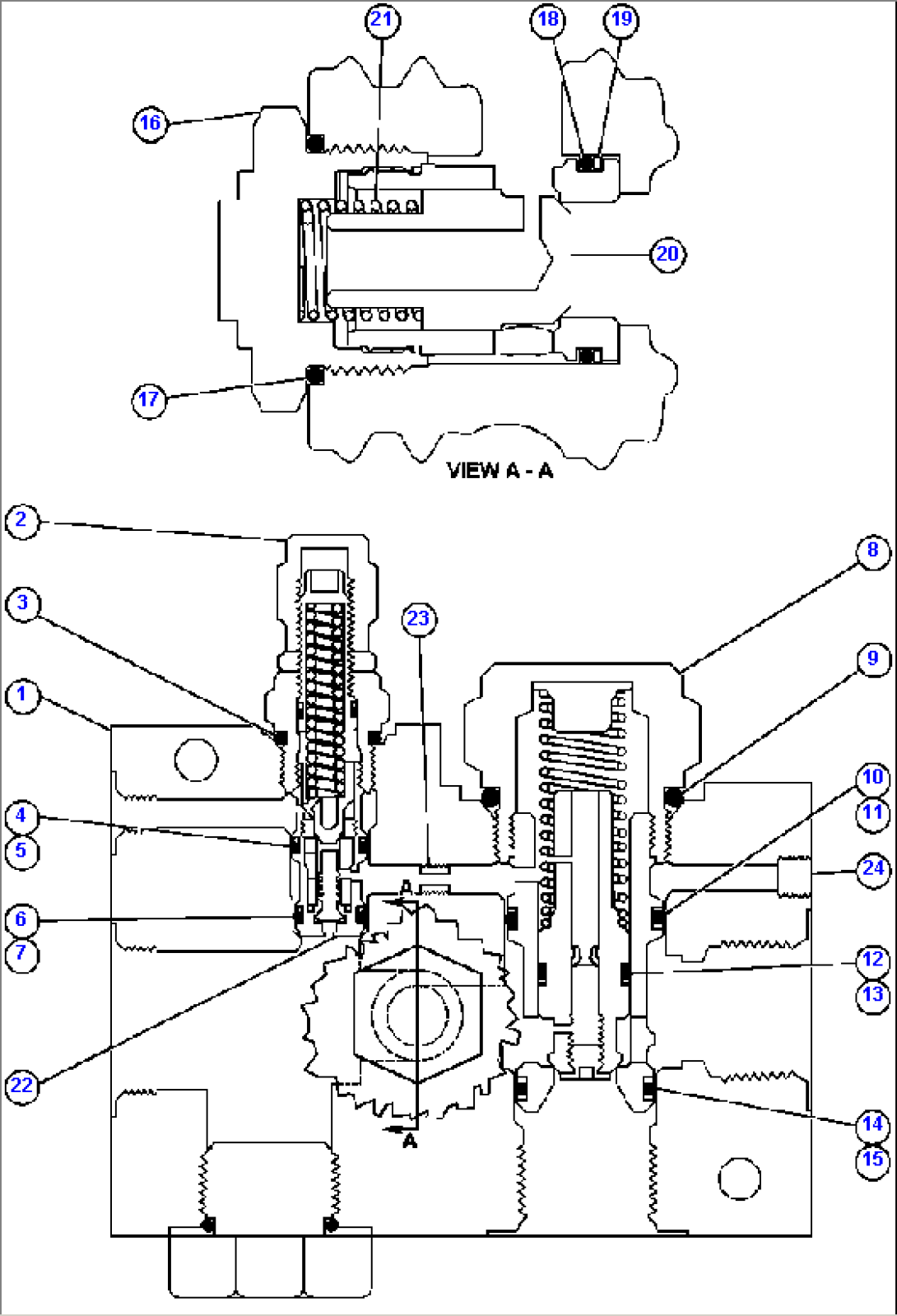
| Item | Part No. | Part Name | Qty | Serial No. |
| 1 | MANIFOLD (1) | |||
| 2 | VE2509 | PILOT UNLOADING VALVE CARTRIDGE | ||
| 3 | VE2442 | O-RING (2) | ||
| 4 | TF1144 | O-RING (2) | ||
| 5 | VS7012 | RING, BACKUP (2) | ||
| 6 | VE1486 | O-RING (2) | ||
| 7 | VJ7368 | RING, BACKUP (2) | ||
| 8 | VE2510 | DIFFERENTIAL PRESSURE SENSING VALVE CARTRIDGE | ||
| 9 | VE2460 | O-RING (3) | ||
| 10 | VE2459 | WASHER, BACKUP (3) | ||
| 11 | WA0076 | O-RING (3) | ||
| 12 | VE2516 | WASHER, BACKUP (3) | ||
| 13 | VE7531 | O-RING (3) | ||
| 14 | VE2517 | WASHER, BACKUP (3) | ||
| 15 | WA0075 | O-RING (3) | ||
| 16 | BF4119 | CHECK VALVE CARTRIDGE | ||
| 17 | VE2460 | O-RING | ||
| 18 | WA0076 | O-RING | ||
| 19 | VE2459 | WASHER, BACKUP | ||
| 20 | BF4585 | POPPET | ||
| 21 | BF4586 | SPRING | ||
| 22 | VE4810 | DISC, ORIFICE | ||
| 23 | BF4120 | PLUG, ORIFICE | ||
| 24 | VE3841 | PLUG, BOSS O-RING | ||
| NS|25 | NOTE: (1) NOT SERVICED SEPARATELY. | |||
| NS|26 | RK0217 | (2) INCLUDED IN RK0217 SEAL KIT. | ||
| NS|27 | RK2201 | (3) INCLUDED IN RK2201 SEAL KIT. |
