
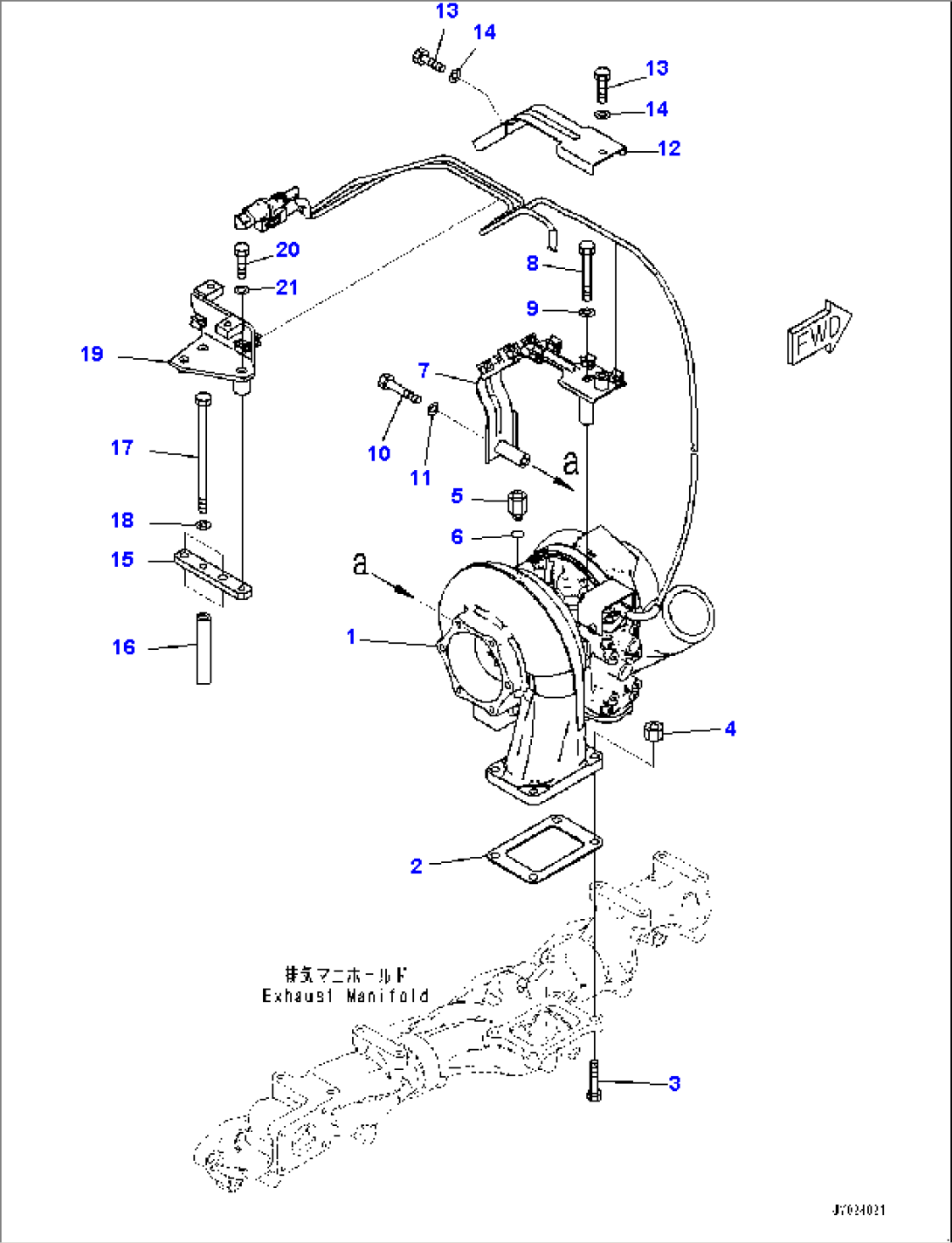
| Item | Part No. | Part Name | Qty | Serial No. |
| 1 | 6507-12-5010 | Turbocharger | 861243- | |
| 2 | 6253-11-5830 | Gasket | 861243- | |
| 3 | 6252-11-5540 | Bolt | 861243- | |
| 4 | 6114-11-5590 | Nut | 861243- | |
| 5 | 6162-73-4670 | Nipple | 861243- | |
| 6 | 6252-61-6270 | O-ring | 861243- | |
| 7 | 6252-81-8101 | Bracket | 861243- | |
| 8 | 01010-80880 | Bolt | 861243- | |
| 9 | 01643-30823 | Washer | 861243- | |
| 10 | 01010-80860 | Bolt | 861243- | |
| 11 | 01643-30823 | Washer | 861243- | |
| 12 | 6252-81-8120 | Cover | 861243- | |
| 13 | 01010-80830 | Bolt | 861243- | |
| 14 | 01643-30823 | Washer | 861243- | |
| 15 | 6252-81-9540 | Plate | 861243- | |
| 16 | 6217-11-9841 | Spacer | 861243- | |
| 17 | 01011-81085 | Bolt | 861243- | |
| 18 | 01643-31032 | Washer | 861243- | |
| 19 | 6253-81-9600 | Bracket | 861243- | |
| 20 | 01010-81045 | Bolt | 861243- | |
| 21 | 01643-31032 | Washer | 861243- |
