
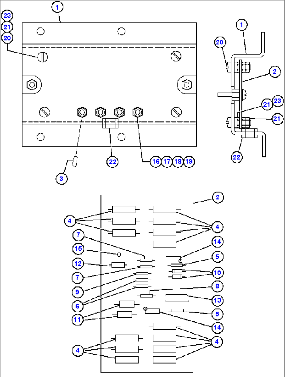
| Item | Part No. | Part Name | Qty | Serial No. |
| 1 | VE4727 | BASE | ||
| 2 | VE2266 | MODULE | ||
| 3 | VE4728 | CABLE, WITH TERMINAL | ||
| 4 | VE4729 | RESISTOR | ||
| 5 | VS7580 | RESISTOR | ||
| 6 | VP9546 | RESISTOR | ||
| 7 | VS7018 | RESISTOR | ||
| 8 | VS7017 | RESISTOR | ||
| 9 | VP9545 | RESISTOR | ||
| 10 | VE2616 | DIODE | ||
| 11 | VP9512 | CAPACITOR | ||
| 12 | VJ8262 | CAPACITOR | ||
| 13 | VS7629 | CIRCUIT, INTERGRATED | ||
| 14 | VJ6014 | POTENTIOMETER | ||
| 15 | VP9538 | TERMINAL | ||
| 16 | VS8040 | CAPSCREW - #10 - 32NC X 3/4" (ZINC PLATED) | ||
| 17 | VC1390 | LOCKWASHER - #10 | ||
| 18 | VS6662 | FLAT WASHER - #10 | ||
| 19 | SF2755 | NUT - #10 | ||
| 20 | VE5952 | SCREW (SPECIAL) | ||
| 21 | VE5953 | NUT | ||
| 22 | VS8434 | GROMMET | ||
| 23 | VE4730 | FLAT WASHER |
