
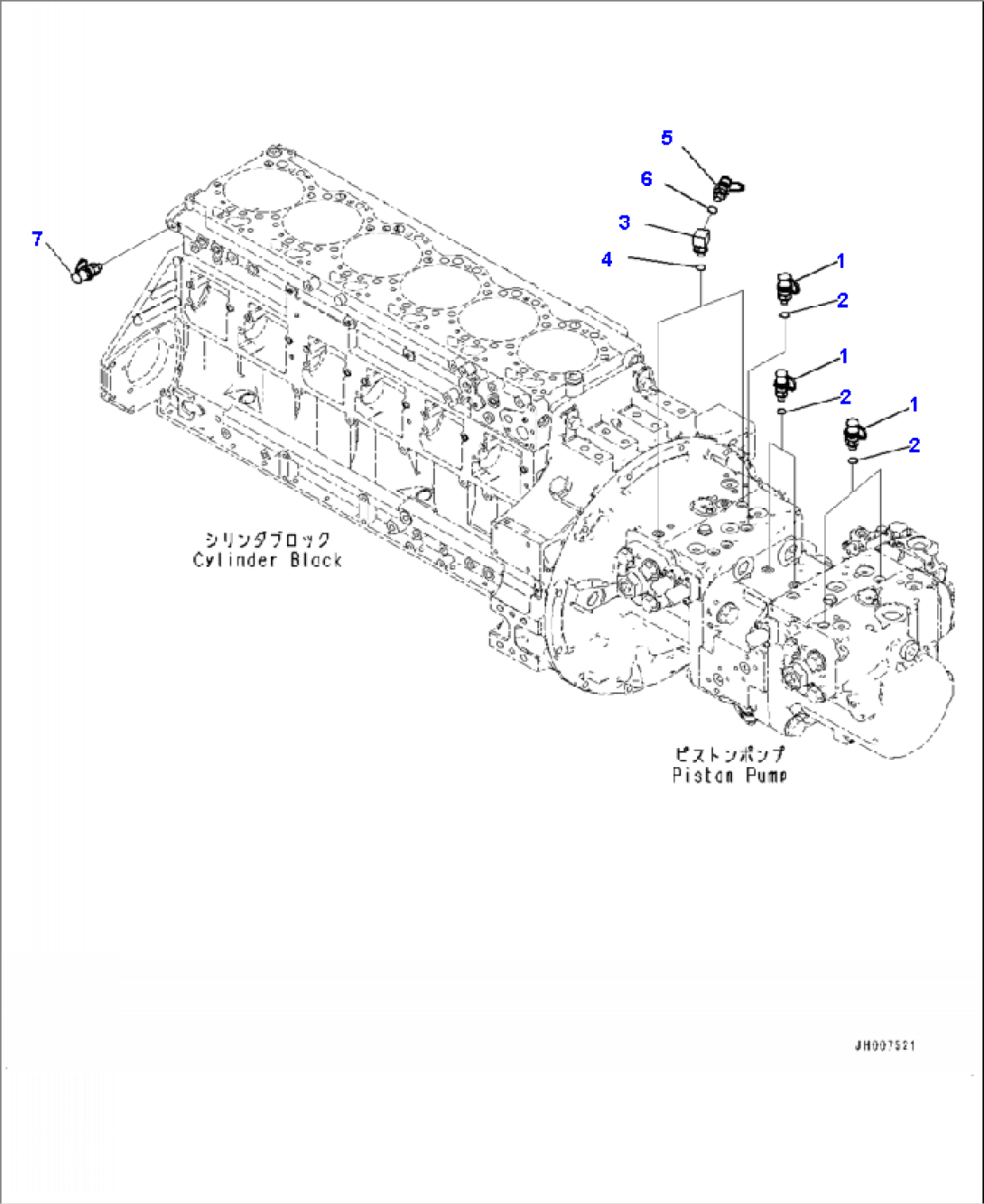
| Item | Part No. | Part Name | Qty | Serial No. |
| 1 | 799-101-5220 | NIPPLE | ||
| 2 | 07002-11023 | O-RING | ||
| 3 | 207-62-72820 | ELBOW | ||
| 4 | 07002-11023 | O-RING | ||
| 5 | 799-101-5220 | NIPPLE | ||
| 6 | 07002-11023 | O-RING | ||
| 7 | 195-49-36120 | NIPPLE |

| Item | Part No. | Part Name | Qty | Serial No. |
| 1 | 799-101-5220 | NIPPLE | ||
| 2 | 07002-11023 | O-RING | ||
| 3 | 207-62-72820 | ELBOW | ||
| 4 | 07002-11023 | O-RING | ||
| 5 | 799-101-5220 | NIPPLE | ||
| 6 | 07002-11023 | O-RING | ||
| 7 | 195-49-36120 | NIPPLE |