
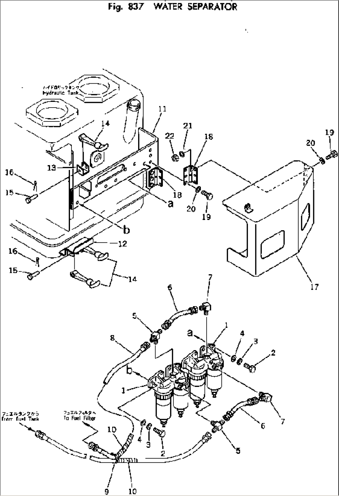
| Item | Part No. | Part Name | Qty | Serial No. |
| 1 | 600-311-9710 | WATER SEPARATOR A. | 1102- | |
| 2 | 01010-50835 | BOLT | 1102- | |
| 3 | 01602-20825 | WASHER | 1102- | |
| 4 | 01640-20816 | WASHER | 1102- | |
| 5 | 569-84-41110 | TEE | 1102- | |
| 6 | 07102-20402 | HOSE | 1102- | |
| 7 | 566-35-14410 | ELBOW | 1102- | |
| 8 | 07102-20505 | HOSE | 1102- | |
| 9 | 08034-00536 | BAND | 1102- | |
| 10 | 565-04-11420 | TUBE | 1102- | |
| 11 | 569-84-41120 | BRACKET | 1102- | |
| 12 | 569-84-41130 | BRACKET | 1102- | |
| 13 | 09450-00001 | PLATE | 1102- | |
| 14 | 09450-00000 | CATCH | 1102- | |
| 15 | 09450-00002 | PIN | 1102- | |
| 16 | 04050-01612 | PIN | 1102- | |
| 17 | 569-84-41140 | COVER | 1102- | |
| 18 | 482-55-33210 | HINGE | 1102- | |
| 19 | 01010-50620 | BOLT | 1102- | |
| 20 | 01602-20619 | WASHER | 1102- | |
| 21 | 01643-30623 | WASHER | 1102- | |
| 22 | 01580-00605 | NUT | 1102- |
