
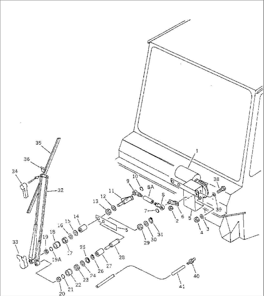
| Item | Part No. | Part Name | Qty | Serial No. |
| BW056649 | MOTOR ASS'Y,WIPER | 313001- | ||
| 1 | \6\ | MOTOR | 313001- | |
| 2 | \6\ | NUT | 313001- | |
| 3 | \6\ | WASHER | 313001- | |
| 4 | \6\ | NUT | 313001- | |
| 5 | \6\ | BRACKET | 313001- | |
| BW156203 | CRANK ASS'Y,DRIVE | 313001- | ||
| 6 | \6\ | BRACKET | 313001- | |
| 7 | \6\ | RING,SNAP | 313001- | |
| 8 | \6\ | CRANK | 313001- | |
| 8A | \6\ | BAR | 313001- | |
| BW056651 | LEVER ASS'Y,LINER | 313001- | ||
| 9 | \6\ | CRANK | 313001- | |
| 10 | \6\ | RING,SNAP | 313001- | |
| 11 | \6\ | LEVER | 313001- | |
| 12 | \6\ | WASHER | 313001- | |
| 13 | \6\ | NUT | 313001- | |
| 14 | \6\ | BUSHING | 313001- | |
| 15 | \6\ | GASKET | 313001- | |
| 16 | \6\ | WASHER | 313001- | |
| 17 | \6\ | NUT | 313001- | |
| 18 | \6\ | COVER,RUBBER | 313001- | |
| 19 | \6\ | NUT | 313001- | |
| 19A | \6\ | RING,SNAP | 313001- | |
| BW156159 | IDLER ASS'Y | 313001- | ||
| 20 | \6\ | NUT | 313001- | |
| 21 | \6\ | RING,SNAP | 313001- | |
| 22 | \6\ | COVER,RUBBER | 313001- | |
| 23 | \6\ | NUT | 313001- | |
| 24 | \6\ | WASHER | 313001- | |
| 25 | \6\ | GASKET | 313001- | |
| 26 | \6\ | RING,SNAP | 313001- | |
| 27 | \6\ | BUSHING | 313001- | |
| 28 | \6\ | LEVER | 313001- | |
| 29 | \6\ | NUT | 313001- | |
| 30 | \6\ | WASHER | 313001- | |
| 31 | \6\ | RING,SNAP | 313001- | |
| BW056652 | ARM ASS'Y,WIPER | 313001- | ||
| 32 | \6\ | ARM | 313001- | |
| 33 | BW056208 | COVER,HEAD | 313001- | |
| 34 | BW056209 | COVER,END | 313001- | |
| 35 | BW056960 | BLADE | 313001- | |
| 36 | BW056240 | NOZZLE ASS'Y | 313001- | |
| 36 | \6\ | HOSE | 313001- | |
| 38 | BW061446 | SCREW | 313001- | |
| 39 | BW063343 | WASHER | 313001- | |
| 40 | BW057257 | CONNECTOR | 313001- | |
| 41 | BW046988 | HOSE | 313001- |
