
| Item | Part No. | Part Name | Qty | Serial No. |
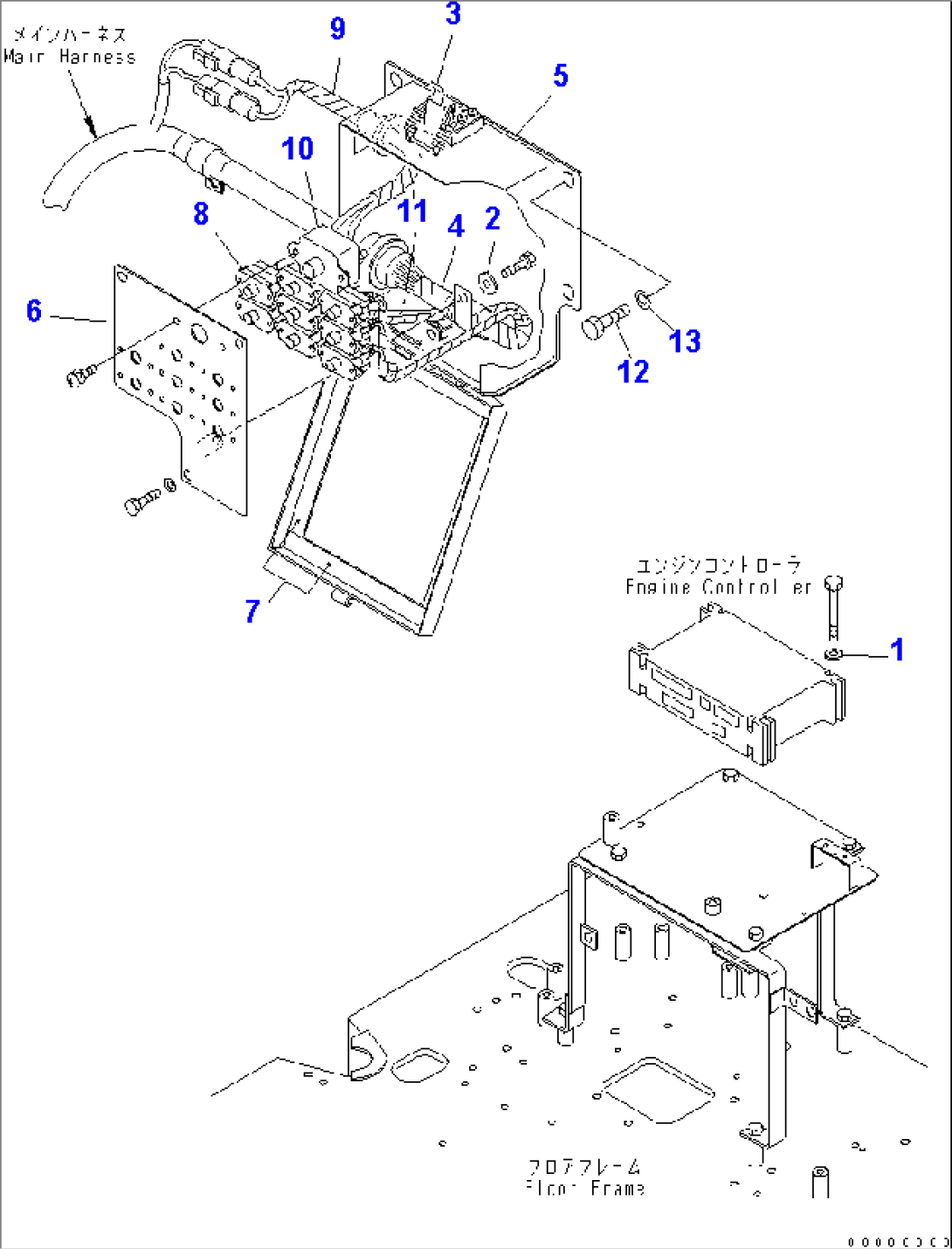
| 1 | 567-99-71250 | SPACER | K40001- | |
| 209-06-77303 | CASE ASSEMBLY | K40001- | ||
| 2 | 154-61-16570 | WASHER | K40001- | |
| 3 | 195-57-11530 | CATCHER | K40001- | |
| 4 | 209-06-77311 | WIRING HARNESS | K40001- | |
| 5 | \6\ | CASE | K40001- | |
| 6 | 209-06-77331 | PLATE | K40001- | |
| 7 | 209-06-77341 | SHEET | K40001- | |
| 8 | 209-06-77350 | CIRCUIT BREAKER | K40001- | |
| 9 | 209-06-77360 | WIRING HARNESS | K40001- | |
| 10 | 21T-06-68290 | BREAKER | K40001- | |
| 11 | 209-06-77420 | SHEET | K40001- | |
| 12 | 01010-81225 | BOLT | K40001- | |
| 13 | 01643-31232 | WASHER | K40001- |
