
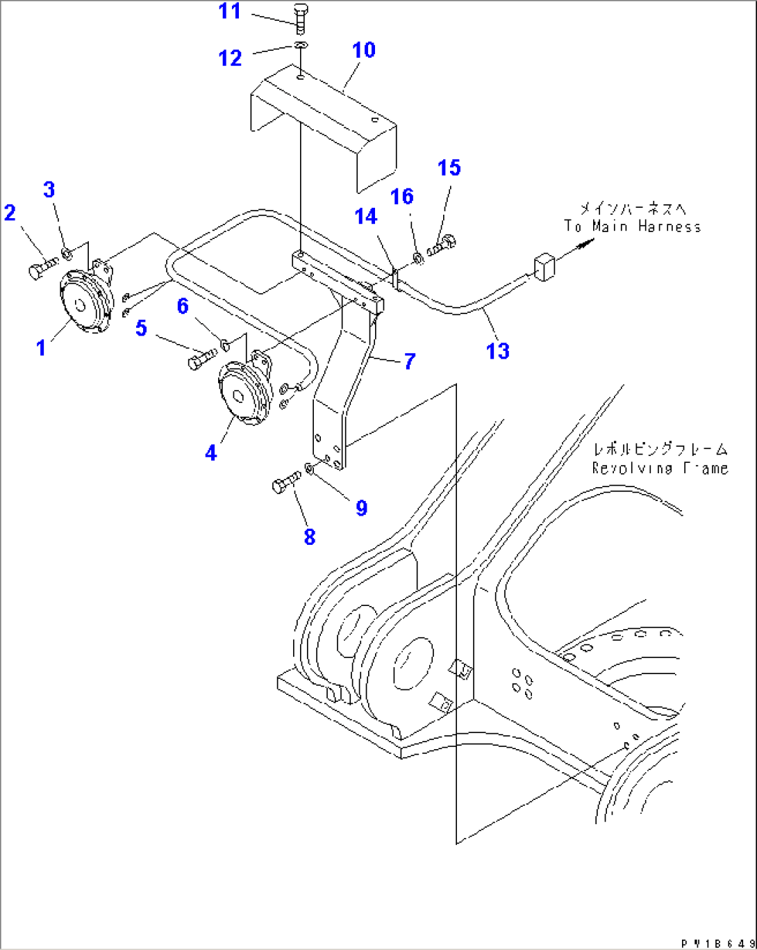
| Item | Part No. | Part Name | Qty | Serial No. |
| 1 | 421-06-29210 | HORN | K32001- | |
| 2 | 01010-80825 | BOLT | K32001- | |
| 3 | 01643-30823 | WASHER | K32001- | |
| 4 | 421-06-29220 | HORN | K32001- | |
| 5 | 01010-80825 | BOLT | K32001- | |
| 6 | 01643-30823 | WASHER | K32001- | |
| 7 | 209-06-77151 | BRACKET | K32001- | |
| 8 | 01010-81240 | BOLT | K32001- | |
| 9 | 01643-31232 | WASHER | K32001- | |
| 10 | 209-06-77161 | COVER | K32001- | |
| 11 | 01010-81225 | BOLT | K32001- | |
| 12 | 01643-31232 | WASHER | K32001- | |
| 13 | 209-06-77270 | WIRING HARNESS | K32001- | |
| 14 | 04434-51012 | CLIP | K32001- | |
| 15 | 01010-81225 | BOLT | K32001- | |
| 16 | 01643-31232 | WASHER | K32001- |
