
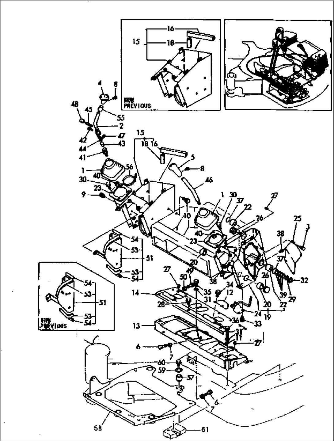
| Item | Part No. | Part Name | Qty | Serial No. |
| 1 | YM172151-45010 | BOOT,LEVER | 10001- | |
| 2 | YM172164-45010 | LEVER | 10001- | |
| 3 | YM172164-45880 | BOLT | 10001- | |
| 4 | YM172165-47871 | KNOB | 10001- | |
| 5 | YM172165-45071 | KNOB | 10001- | |
| 6 | YM26116-100504 | BOLT | 10001- | |
| 7 | YM26716-100002 | NUT | 10001- | |
| 8 | YM26587-040062 | SCREW | 10001- | |
| 9 | YM26013-100202 | BOLT | 10001- | |
| 10 | YM26013-100202 | BOLT | 10001- | |
| 11 | YM194145-04810 | WASHER | 10001- | |
| 12 | YM17216545620K | COVER,SUPPORT | 10001- | |
| 13 | YM172164-45801 | SUPPORT | 10001- | |
| 14 | YM172164-45841 | COVER | 10001- | |
| 15 | YM172164-45450 | STAND,LEVER | 10001-10087 | |
| 15-1 | YM172164-45451 | STAND,LEVER | 10088- | |
| 16 | YM172164-62260 | RUBBER,SEAL | 10001- | |
| 18 | YM172164-64400 | RUBBER,SEAL | 10001- | |
| 19 | YM172164-45600 | STAND,LEVER | 10001- | |
| 20 | YM172141-41370 | BUSHING | 10001- | |
| 22 | YM24550-025150 | BUSHING | 10001- | |
| 23 | YM172165-47710 | PLATE | 10001- | |
| 24 | YM172164-45920 | GUIDE,HOSE | 10001- | |
| 25 | YM172164-45790 | COVER | 10001- | |
| 26 | YM172151-53430 | GROMMET | 10001- | |
| 27 | YM194630-62360 | GROMMET | 10001- | |
| 28 | YM172519-63240 | BOLT | 10001- | |
| 29 | YM172165-47990 | WASHER | 10001- | |
| 30 | YM26013-080162 | BOLT | 10001- | |
| 31 | YM22217-100000 | WASHER | 10001- | |
| 32 | YM22242-000250 | RING | 10001- | |
| 33 | YM26013-080202 | BOLT | 10001- | |
| 34 | YM172519-63240 | BOLT | 10001- | |
| 35 | YM26116-100202 | BOLT | 10001- | |
| 36 | YM26116-100902 | BOLT | 10001- | |
| 37 | YM24311-000340 | O-RING | 10001- | |
| 38 | YM24761-020000 | FITTING,GREASE | 10001- | |
| 39 | YM172165-47980 | SHIM | .- | |
| YM172165-47980 | SHIM | 10001-. | ||
| 40 | YM26736-140002 | NUT | 10106- | |
| \0\YM26776-140002 | NUT | 10001-10105 | ||
| 41 | YM172164-45041 | HINGE,LEVER | .- | |
| \3\YM172164-45040 | HINGE,LEVER | 10001-. | ||
| YM172164-45041¤{YM172164-45061} | ||||
| 42 | YM172164-45050 | PIN | 10001- | |
| 43 | YM172164-45061 | PIN,LOCK | .- | |
| \3\YM172164-45060 | PIN,LOCK | 10001-. | ||
| YM172164-45041¤{YM172164-45061} | ||||
| 44 | YM172164-45070 | SPRING | 10001- | |
| 45 | YM172164-45080 | SCREW | 10001- | |
| 46 | YM172165-47851 | LEVER | 10001- | |
| 47 | YM22272-000060 | RING | 10001- | |
| 48 | YM172157-58830 | KNOB | 10001- | |
| 49 | YM26116-060202 | BOLT | 10001- | |
| 50 | YM26716-060002 | NUT | 10001- | |
| 51 | YM172164-45861 | COVER | 10102- | |
| \0\YM172164-45860 | COVER,LINK | 10001-10101 | ||
| 53 | YM172164-45870 | SEAL,RUBBER | 10001- | |
| 54 | YM172164-66670 | RUBBER,SEAL | 10001- | |
| 55 | YM172164-45090 | CAP | 10001- | |
| 56 | YM933168-55770 | BAND | 10001- | |
| 57 | YM172165-45490 | CUSHION | 10001- | |
| 58 | YM172176-45561 | PLATE ASS'Y,LINK | 10001- | |
| 59 | YM22252-000280 | RING | 10001- | |
| 60 | YM26106-100352 | BOLT | 10001- | |
| 61 | YM172164-46310 | PLATE,RUBBER | 10001- |
