
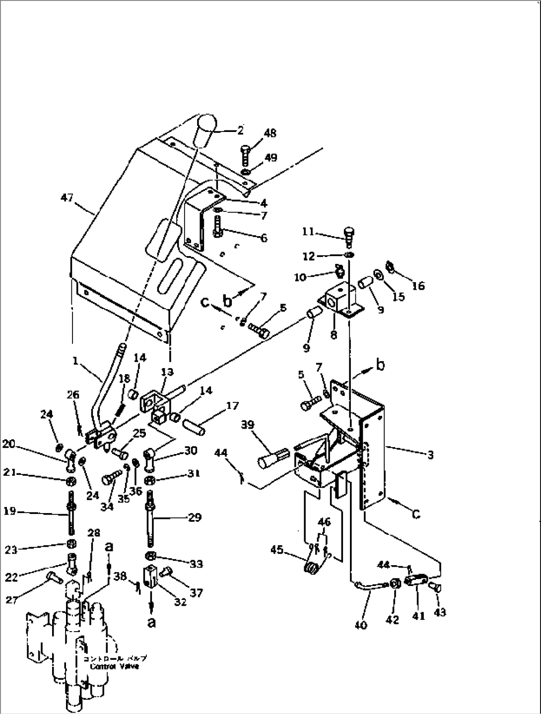
| Item | Part No. | Part Name | Qty | Serial No. |
| 1 | 103-43-36360 | LEVER | 60001- | |
| 2 | 113-43-23420 | KNOB | 60001- | |
| 3 | 103-43-36330 | BRACKET | 60001- | |
| 4 | 103-43-36260 | BRACKET | 60001- | |
| 5 | 01010-50820 | BOLT | 60001- | |
| 6 | 01010-50816 | BOLT | 60001- | |
| 7 | 01602-20825 | WASHER,SPRING | 60001- | |
| 103-43-00310 | BRACKET ASS'Y | 60001- | ||
| 8 | \6\ | BRACKET | 60001- | |
| 9 | 203-43-31420 | BUSHING | 60001- | |
| 10 | 07020-00675 | FITTING,GREASE | 60001- | |
| 11 | 01010-50820 | BOLT | 60001- | |
| 12 | 01602-20825 | WASHER,SPRING | 60001- | |
| 103-43-00320 | YOKE ASS'Y | 60001- | ||
| 13 | \6\ | YOKE | 60001- | |
| 14 | 203-43-31420 | BUSHING | 60001- | |
| 15 | 01641-21423 | WASHER | 60001- | |
| 16 | 04064-01410 | RING,SNAP | 60001- | |
| 17 | 103-43-36140 | PIN | 60001- | |
| 18 | 04025-00324 | PIN,SPRING | 60001- | |
| 19 | 04248-30810 | ROD | 60001- | |
| 20 | 04250-80847 | END | 60001- | |
| 21 | 01580-10806 | NUT | 60001- | |
| 22 | 04250-90847 | END,L.H. THREAD | 60001- | |
| 23 | 01508-40805 | NUT,L.H. THREAD | 60248- | |
| \1\01508-20805 | NUT,L.H. THREAD | 60001-60247 | ||
| 24 | 04254-00823 | SPACER | 60001- | |
| 25 | 04205-10832 | PIN | 60001- | |
| 26 | 04050-12015 | PIN,COTTER | 60001- | |
| 27 | 04205-10825 | PIN | 60001- | |
| 28 | 04050-12015 | PIN,COTTER | 60001- | |
| 29 | 04248-30813 | ROD | 60001- | |
| 30 | 04250-80847 | END | 60001- | |
| 31 | 01580-10806 | NUT | 60001- | |
| 32 | 1B0-43-16130 | YOKE,L.H. THREAD | 60001- | |
| 33 | 01508-40805 | NUT,L.H. THREAD | 60248- | |
| \1\01508-20805 | NUT,L.H. THREAD | 60001-60247 | ||
| 34 | 01010-50830 | BOLT | 60001- | |
| 35 | 01602-20825 | WASHER,SPRING | 60001- | |
| 36 | 01641-20812 | WASHER | 60001- | |
| 37 | 04205-10622 | PIN | 60001- | |
| 38 | 04050-11612 | PIN,COTTER | 60001- | |
| 39 | 09305-00800 | KNOB | 60001- | |
| 40 | 103-43-36230 | ROD | 60001- | |
| 41 | 04211-20634 | YOKE | 60001- | |
| 42 | 01580-10605 | NUT | 60001- | |
| 43 | 04205-10618 | PIN | 60001- | |
| 44 | 04050-11612 | PIN,COTTER | 60001- | |
| 45 | 09463-00006 | SPRING | 60001- | |
| 46 | 04050-11612 | PIN,COTTER | 60001- | |
| 47 | 103-43-36110 | COVER | 60001- | |
| 48 | 01010-51020 | BOLT | 60001- | |
| 49 | 01643-31032 | WASHER | 60001- |
