
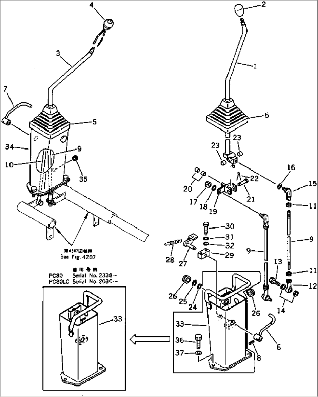
| Item | Part No. | Part Name | Qty | Serial No. |
| 1 | 203-43-42132 | LEVER,L.H. | 2001- | |
| 2 | 20D-43-11370 | KNOB | 2001- | |
| 3 | 203-43-42142 | LEVER,R.H. | 2001- | |
| 4 | 203-06-21140 | SWITCH,HORN | 2001- | |
| 5 | 20X-43-21730 | BOOT | 2001- | |
| 6 | 205-43-63820 | LEVER,L.H. | 2001- | |
| 7 | 205-43-63830 | LEVER,R.H. | 2001- | |
| 8 | 04025-00520 | PIN,SPRING | 2001- | |
| 9 | 04245-41031 | ROD | 2001- | |
| 10 | 04245-41029 | ROD | 2001- | |
| 11 | 01582-11008 | NUT | 2001- | |
| 12 | 04250-41056 | END,ROD | 2001- | |
| 13 | 01010-51030 | BOLT | 2001- | |
| 14 | 01643-31032 | WASHER | 2201- | |
| \0\04254-41032 | SPACER | 2001-2200 | ||
| 15 | 207-43-11170 | JOINT | 2001- | |
| 16 | 01643-31032 | WASHER | 2001- | |
| 17 | 01582-11008 | NUT | 2001- | |
| 18 | 01643-31032 | WASHER | 2001- | |
| 19 | 205-43-52140 | YOKE | 2001- | |
| 20 | 203-43-31420 | BUSHING | 2001- | |
| 21 | 04205-01450 | PIN | 2001- | |
| 22 | 04050-14022 | PIN,COTTER | 2001- | |
| 23 | 203-43-31420 | BUSHING | 2001- | |
| 24 | 01641-21423 | WASHER | 2001- | |
| 25 | 04064-01410 | RING,SNAP | 2001- | |
| 26 | 09415-02512 | CAP | 2001- | |
| 27 | 205-43-62320 | LEVER | 2001- | |
| 28 | 203-43-21370 | SPRING | 2001- | |
| 29 | 205-43-62330 | BLOCK | 2001- | |
| 30 | 01010-50840 | BOLT | 2001- | |
| 31 | 01602-20825 | WASHER,SPRING | 2001- | |
| 32 | 01643-30823 | WASHER | 2001- | |
| 33 | 20X-43-21711 | STAND,L.H. | 2030- | |
| 20X-43-21710 | STAND,L.H. | 2001-2029 | ||
| 34 | 20X-43-21720 | STAND,R.H. | 2001- | |
| 35 | 08037-01008 | GROMMET | 2001- | |
| 36 | 01010-51230 | BOLT | 2001- | |
| 37 | 01643-31232 | WASHER | 2001- |
